SKFSIA40TXE-2LS轴承详细参数

发布时间:2026-04-14
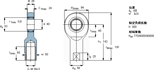
免维护杆端, 阴螺纹, 钢/PTFE织物 , 两面密封件
主要数据尺寸 角度倾的 基本负荷额定值 质量 型号
动态 静态 轴承座完全与密封件
d d2 B d3 C1 h1± C C0
6H
mm 度数 kN kg -
409428M 39x32414262801662,20SIA 40 TXE-2LS

SKFSIA40TXE-2LS免维护的杆端关节轴承供应商

八零动力专业销售SIA40TXE-2LS免维护的杆端关节轴承,库存SKFSIA40TXE-2LS大量现货,与SKF合作,咨询热线:022-58519723业务咨询
SKFSIA40TXE-2LS质量上乘的轴承,是提升机械设备性能的关键因素它的抗剪切性能,确保了它的结构稳定性 为您的工程保驾护航,它在化工设备中的应用,展现了它的耐腐蚀性 它的质量过硬,为机械设备的高效、安全、稳定运行 它虽小,却是工业革命的基石 ,八零动力SKF免维护的杆端关节轴承品种全,价格优,质量有保证!

用户关注最多的SKF轴承型号

SKF29488EM SKF51310 SKF609-RSL* SKF7019FB/P7 SKF7305BECBP* SKFC30/500KM+OH30/500H* SKFCR11143 SKFCR18892 SKFCR64X80X8HMS5V SKFNNU4960B/SPW33 SKFNUP210ECP* SKFPCMF141617B SKFQJ328 SKFSC71922FB/P7 SKFSIL6C

SIA40TXE-2LS免维护的杆端关节轴承近似的SKF轴承型号

SKFSI40TXE-2LS SKFSAA40TXE-2LS SKFSALA40TXE-2LS SKFSILA40TXE-2LS SKFSIL40TXE-2LS SKFSAL40TXE-2LS SKFSIA40TXE-2LS SKFSA40TXE-2LS SKFSIA40ES-2RS SKFSIA45ES-2RS

用户关注最多的轴承狗热门型号

KOYO  23220RHK+H2320X INA  PAS10250-P14 DKF  7328B/DB LYC  22315 SKF  4309ATN9 SKF  UEL205 LYC  D2787/880 SKF  SC71918FB/P7 LYC  30210/01 TIMKEN  MB30 LYC  24068/C5W33S1 SKF  Z302 NTN  23040BK SKF  NU1020M ZKL  7326B/DF

版权所有©2009-2015 轴承狗zcgou.com ICP备案:津ICP备14004550号-13