SKFSILA45ES-2RS轴承详细参数

发布时间:2026-04-29
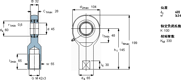
需要维护的杆端, 钢对钢,阴螺纹, 两面密封件
主要数据尺寸 角度倾的 基本负荷额定值 质量 型号
动态 静态 杆端带右或左旋螺纹
d d2 B d3 C1 h1± C C0
6H
mm 度数 kN kg -
4510432M 42x32814571272243,20SILA 45 ES-2RS

SKFSILA45ES-2RS需维护的杆端关节轴承供应商

八零动力专业销售SILA45ES-2RS需维护的杆端关节轴承,库存SKFSILA45ES-2RS大量现货,与SKF合作,咨询热线:022-58519723业务咨询
SKFSILA45ES-2RS它的精密性,让它在高精度设备中无可替代 其设计和制造都达到了极高的水准,是一款不可多得的轴承轴承的耐用性出色,能够长时间保持良好的工作状态它的润滑技术,减少了润滑剂的使用 它的抗拉强度,让它经得起各种考验 转动精彩,八零动力SKF需维护的杆端关节轴承品种全,价格优,质量有保证!

用户关注最多的SKF轴承型号

SKF23036CCK/W33* SKF232/560CA/W33 SKF32234 SKF608-RS SKF7017ACD/P4A SKFC3130K+H3130L* SKFC2326K/VE240* SKFCR20215 SKFCR40X55X8HMSA10RG SKFCR5542 SKFH205 SKFHK1622 SKFHM89446/2/410/2/QCL7C SKFOKC150 SKFRMS20

SILA45ES-2RS需维护的杆端关节轴承近似的SKF轴承型号

SKFSAL45ES-2RS SKFSC45ES SKFSCF45ES SKFSIL45ES-2RS SKFSALA45ES-2RS SKFSI45ES-2RS SKFSIA45ES-2RS SKFSAA45ES-2RS SKFSA45ES-2RS SKFSILA45ES-2RS SKFSILA40TXE-2LS SKFSILA45TXE-2LS

用户关注最多的轴承狗热门型号

国产  628/3-2Z BARDEN  7212AC/DF SNR  32022 SKF  M35x1.5 TIMKEN  GE30KPPB3 FAG  SNV120-L + 20311-TVP + DH311 INA  ZKLN4090-2RS FAG  BND3276-H-W-T-BL-S SKF  32922X/Q 国产  3302A-2ZTN1 TORRINGTON  23048CCK/33+H3048 LYC  FD-230/800 CAQ/W26-1 NTN  6022N INA  NRB2,5X9,8-G2 SKF  7416M

版权所有©2009-2015 轴承狗zcgou.com ICP备案:津ICP备14004550号-13