SKFSAA45ES-2RS轴承详细参数

发布时间:2026-02-17
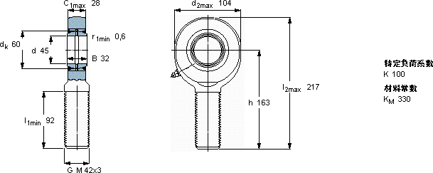
需要维护的杆端, 钢对钢,阳螺纹, 两面密封件
主要数据尺寸 角度倾的 基本负荷额定值 质量 型号
动态 静态 杆端带右或左旋螺纹
d d2 B d3 C1 h ± C C0
6g
mm 度数 kN kg -
4510432M 42x32816371272002,55SAA 45 ES-2RS

SKFSAA45ES-2RS需维护的杆端关节轴承供应商

八零动力专业销售SAA45ES-2RS需维护的杆端关节轴承,库存SKFSAA45ES-2RS大量现货,与SKF合作,咨询热线:022-58519723业务咨询
SKFSAA45ES-2RS它的精密设计,展现了人类智慧的巅峰 它的抗氧化性能,延长了它的使用寿命 没有轴承,现代机械将寸步难行,稳定的传奇高品质的轴承,在各种复杂环境下都能稳定发挥作用质量上乘的轴承,是提升机械设备性能的关键因素,八零动力SKF需维护的杆端关节轴承品种全,价格优,质量有保证!

用户关注最多的SKF轴承型号

SKF24096CACK30/W33 SKF71916ACE/HCP4A SKFC3152K+OH3152HTL* SKFCR1000x1050x23HDS2R1 SKFCR115x160x12CRW1R SKFCR39X62X12CRSH11R SKFCR45X68X10HMS5V SKFCR490x530x20HDS1R SKFN217ECP SKFNNC4934CV SKFNU316ECML* SKFPFT1.1/2TR SKFVJ-PDNB312 SKFVJ-PDNB315 SKFYAT206/W64

SAA45ES-2RS需维护的杆端关节轴承近似的SKF轴承型号

SKFSIL45ES-2RS SKFSIA45ES-2RS SKFSALA45ES-2RS SKFSAA45ES-2RS SKFSA45ES-2RS SKFSI45ES-2RS SKFSILA45ES-2RS SKFSAL45ES-2RS SKFSC45ES SKFSCF45ES SKFSAA40TXE-2LS SKFSAA45TXE-2LS

用户关注最多的轴承狗热门型号

AET  NU2212 GMN  7038C/DB SKF  PF5/8RM NACHI  5315NR FAG  SNV140-L + 1216-K-TVH-C3 + H216X211 + DHV516X211 LYC  23236 CAK/C4W33 NACHI  6310ZENR SKF  SY1.3/16WF FLT  NU1040 LYC  NUP 6/32.5 INA  K39X44X26-ZW TORRINGTON  23132CCK/W33 TIMKEN  213W SKF  6315NR* FAG  SNV200-L + 2222-K-M-C3 + H322X314 + TSV522X314

版权所有©2009-2015 轴承狗zcgou.com ICP备案:津ICP备14004550号-13