SKFSA45ES-2RS轴承详细参数

发布时间:2026-04-28
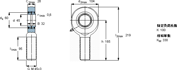
需要维护的杆端, 钢对钢,阳螺纹, 两面密封件
主要数据尺寸 角度倾的 基本负荷额定值 质量 型号
动态 静态 杆端带右或左旋螺纹
d d2 B d3 C1 h ± C C0
6g
mm 度数 kN kg -
4510432M 45x32816571272002,55SA 45 ES-2RS

SKFSA45ES-2RS需维护的杆端关节轴承供应商

八零动力专业销售SA45ES-2RS需维护的杆端关节轴承,库存SKFSA45ES-2RS大量现货,与SKF合作,咨询热线:022-58519723业务咨询
SKFSA45ES-2RS这轴承的稳定性极佳,即使在恶劣环境下也能正常工作它的加工精度,确保了机械运转的稳定性 卓越的性能和可靠的质量,让这款轴承成为市场的宠儿这轴承的质量过硬,经得起时间和高强度工作的考验轴承的选材精良,确保了其具有良好的耐磨性和抗腐蚀性轴承的耐用性出色,能够长时间保持良好的工作状态,八零动力SKF需维护的杆端关节轴承品种全,价格优,质量有保证!

用户关注最多的SKF轴承型号

SKF2307KM SKF30204 SKF330758BG SKFB7217C.T.P4S.UL SKFBT4B328838BG/HA1VA902* SKFCR12X18X3HM4R SKFCR20X38X7HMS5RG SKFCR35x62x8CRW1R SKFCR42X56X7HMSA10RG SKFCR440x480x20HS8R SKFMB7 SKFNN3044/SPW33 SKFNUP2211ECP SKFRMS14 SKFUCP215

SA45ES-2RS需维护的杆端关节轴承近似的SKF轴承型号

SKFSAL45ES-2RS SKFSAA45ES-2RS SKFSI45ES-2RS SKFSA45ES-2RS SKFSCF45ES SKFSIL45ES-2RS SKFSC45ES SKFSIA45ES-2RS SKFSILA45ES-2RS SKFSALA45ES-2RS SKFSA40TXE-2LS SKFSA45TXE-2LS

用户关注最多的轴承狗热门型号

MRC  61911 SKF  5203A-2ZTN9 TIMKEN  799/792CD/X1S-799 SKF  71909ACE/P4A LYC  7517E(内组件) KOYO  NU2208E 国产  RNAV4918 FAG  SNV150-L + 222SM75-TVPA + FSV517 LYC  7209 EBN2L1/P5DB TIMKEN  T158 FLT  NU328 LYC  30207/01 LYC  7000114 TIMKEN  566-S/563 国产  6300/Z3

版权所有©2009-2015 轴承狗zcgou.com ICP备案:津ICP备14004550号-13