SKFSALA45ES-2RS轴承详细参数

发布时间:2026-04-29
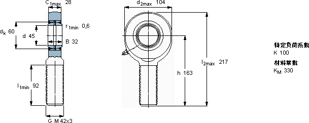
需要维护的杆端, 钢对钢,阳螺纹, 两面密封件
主要数据尺寸 角度倾的 基本负荷额定值 质量 型号
动态 静态 杆端带右或左旋螺纹
d d2 B d3 C1 h ± C C0
6g
mm 度数 kN kg -
4510432M 42x32816371272002,55SALA 45 ES-2RS

SKFSALA45ES-2RS需维护的杆端关节轴承供应商

八零动力专业销售SALA45ES-2RS需维护的杆端关节轴承,库存SKFSALA45ES-2RS大量现货,与SKF合作,咨询热线:022-58519723业务咨询
SKFSALA45ES-2RS它在航空航天领域的应用,展现了它的高可靠性 高品质的轴承,在复杂工况下也能展现出卓越的性能卓越的性能表现,让这款轴承在市场上脱颖而出它的高可靠性,减少了设备停机时间 它的设计巧妙,在保证性能的同时,还兼顾了安装的便捷性它的滚动体与沟槽的配合,堪称完美 ,八零动力SKF需维护的杆端关节轴承品种全,价格优,质量有保证!

用户关注最多的SKF轴承型号

SKF2211ETN9 SKF3220 SKF61807-2RS SKF6202/HR11TN SKF7204CD/HCP4A SKFBDAB351905 SKFBS2-2212-2CSK/VT143* SKFC4913V* SKFCR2200569 SKFCR40X72X7HMSA10RG SKFCR52X80X10HMSA10V SKFHMV180E SKFNU2240ECMA* SKFPFT1.3/8TF SKFVJ-PDRJ322

SALA45ES-2RS需维护的杆端关节轴承近似的SKF轴承型号

SKFSCF45ES SKFSAA45ES-2RS SKFSIA45ES-2RS SKFSI45ES-2RS SKFSIL45ES-2RS SKFSA45ES-2RS SKFSC45ES SKFSAL45ES-2RS SKFSALA45ES-2RS SKFSILA45ES-2RS SKFSALA40TXE-2LS SKFSALA45TXE-2LS

用户关注最多的轴承狗热门型号

NTN  NJ2312E+HJ2312E LYC  3806/704.85-2LS ZKL  N309 FAG  NJ322-E-TVP2 + HJ322E SKF  WS81118 KOYO  NF206 SKF  NU319ECM/C3VL0241 LYC  ZDZ-8 SKF  NU1076MA KOYO  7015AC/DB 国产  61992F3 SKF  CR135X170X12HMS5RG LYC  787/2279 TIMKEN  HM813841/HM813810 RHP  7320B/DB

版权所有©2009-2015 轴承狗zcgou.com ICP备案:津ICP备14004550号-13