SKFSI60TXE-2LS轴承详细参数

发布时间:2026-04-26
免维护杆端, 阴螺纹, 钢/PTFE织物 , 两面密封件
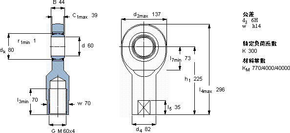
主要数据尺寸 角度倾的 基本负荷额定值 质量 型号
动态 静态 轴承座完全与密封件
d d2 B d3 C1 h1± C C0
6H
mm 度数 kN kg -
6013744M 60x43922566954007,10SI 60 TXE-2LS

SKFSI60TXE-2LS免维护的杆端关节轴承供应商

八零动力专业销售SI60TXE-2LS免维护的杆端关节轴承,库存SKFSI60TXE-2LS大量现货,与SKF合作,咨询热线:022-58519723业务咨询
SKFSI60TXE-2LS轴承的选材精良,确保了其具有良好的耐磨性和抗腐蚀性承载重托它的精准度,让机械运转分毫不差 它的润滑技术,减少了摩擦和磨损 它的耐磨性能,让它在恶劣环境下依然稳定运行 精湛的制造工艺赋予了这款轴承出色的性能和可靠性,八零动力SKF免维护的杆端关节轴承品种全,价格优,质量有保证!

用户关注最多的SKF轴承型号

SKF16068 SKF24892CAK30MA/W20 SKF31317J2 SKF61812-2RZ SKF891/670M SKF7216B/DB SKFBT4B334080G/HA1VA901 SKFBTM80A/HCP4CDBB SKFFBSA210/QFC SKFGE260ES SKFLM11949/910/Q SKFNCF28/950V SKFNNF5028ADA-2LSV SKFS7013ACD/HCP4A SKFSNW3024x4.1/4

SI60TXE-2LS免维护的杆端关节轴承近似的SKF轴承型号

SKFSIA60TXE-2LS SKFSAA60TXE-2LS SKFSIL60TXE-2LS SKFSILA60TXE-2LS SKFSALA60TXE-2LS SKFSA60TXE-2LS SKFSI60TXE-2LS SKFSAL60TXE-2LS SKFSI60ES-2RS SKFSI6C

用户关注最多的轴承狗热门型号

SKF  CR53702 国产  24132C INA  K81244-M SKF  VJ-PDPF2220 NTN  NU2228 SKF  SNW30x5.1/8 SKF  CR34967 FAG  2309-K-TVH-C3 LYC  24136/W33 SKF  16032/W64 FAG  SNV140-L + 22313-E1-K + H2313X206 + DHV613 TORRINGTON&FAFNIR  6012-Z MRC  N217 NTN  61821 Stieber  NF130

版权所有©2009-2015 轴承狗zcgou.com ICP备案:津ICP备14004550号-13