SKFSI50TXE-2LS轴承详细参数

发布时间:2026-05-30
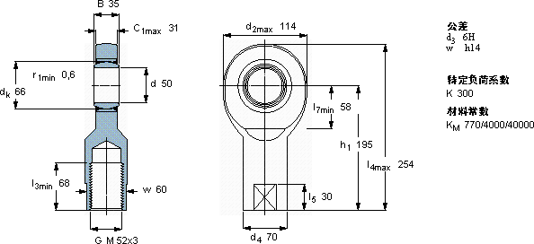
免维护杆端, 阴螺纹, 钢/PTFE织物 , 两面密封件
主要数据尺寸 角度倾的 基本负荷额定值 质量 型号
动态 静态 轴承座完全与密封件
d d2 B d3 C1 h1± C C0
6H
mm 度数 kN kg -
5011435M 52x33119564402704,10SI 50 TXE-2LS

SKFSI50TXE-2LS免维护的杆端关节轴承供应商

八零动力专业销售SI50TXE-2LS免维护的杆端关节轴承,库存SKFSI50TXE-2LS大量现货,与SKF合作,咨询热线:022-58519723业务咨询
SKFSI50TXE-2LS轴承的精度和稳定性都达到了行业顶尖水平它的热处理工艺,增强了它的硬度和韧性 它的可靠性,赢得了无数工程师的信任 它的质量卓越,为机械设备的安全运行保驾护航它在机床设备中的应用,确保了加工精度 它在矿山设备中的应用,确保了设备的高负载能力 ,八零动力SKF免维护的杆端关节轴承品种全,价格优,质量有保证!

用户关注最多的SKF轴承型号

SKF319426DA-2LS SKF3210A-RS SKF330870BG SKFAXK0515TN SKFBTM130A/HCP4CDBA SKFCR11734 SKFCR13900 SKFCR40X50X8HMSA10RG SKFCR70X95X10HMSA10RG SKFCR90X110X10HMSA10RG SKFCR99599 SKFHK1520.2RS SKFNCF3072CV SKFNU2305ECML* SKFSY1.7/16RM

SI50TXE-2LS免维护的杆端关节轴承近似的SKF轴承型号

SKFSI50TXE-2LS SKFSILA50TXE-2LS SKFSIL50TXE-2LS SKFSALA50TXE-2LS SKFSAA50TXE-2LS SKFSA50TXE-2LS SKFSAL50TXE-2LS SKFSIA50TXE-2LS SKFSI50ES-2RS SKFSI60ES-2RS

用户关注最多的轴承狗热门型号

SKF  SYNT75LTS FAG  2313-K-TVH-C3 SKF  FYNT80L FAG  23026-E1A-K-M NSK  UCP207-106D1 STEYR  NUP2318E SKF  71921AC 国产  6334 INA  RSRA15-90-L0 SKF  SDAFS22528x5 RHP  7016C/DB FAG  NJ340-E-M1 INA  RASEY40-JIS NTN  NJ407 LYC  6221EN

版权所有©2009-2015 轴承狗zcgou.com ICP备案:津ICP备14004550号-13