SKFSI45TXE-2LS轴承详细参数

发布时间:2026-04-15
免维护杆端, 阴螺纹, 钢/PTFE织物 , 两面密封件
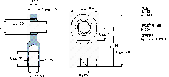
主要数据尺寸 角度倾的 基本负荷额定值 质量 型号
动态 静态 轴承座完全与密封件
d d2 B d3 C1 h1± C C0
6H
mm 度数 kN kg -
4510432M 45x32816573602243,20SI 45 TXE-2LS

SKFSI45TXE-2LS免维护的杆端关节轴承供应商

八零动力专业销售SI45TXE-2LS免维护的杆端关节轴承,库存SKFSI45TXE-2LS大量现货,与SKF合作,咨询热线:022-58519723业务咨询
SKFSI45TXE-2LS它的轴向跳动控制,确保了机械的平稳运行 它在医疗设备中的应用,确保了设备的稳定性 坚固的结构稳定的性能它的低摩擦设计,减少了能量损耗 引领行业速度,我们的轴承始终稳如磐石它的质量过硬,为机械设备的高效、安全运行提供了保障,八零动力SKF免维护的杆端关节轴承品种全,价格优,质量有保证!

用户关注最多的SKF轴承型号

SKF23088CAK/W33+OH3088H* SKF230/710CAK/W33+OH30/710H* SKF234709B SKF30224J2 SKF5200ATN9 SKF61872 SKFC31/500KM+OH31/500H* SKFCR33772 SKFCR87914 SKFGEC320FBAS SKFH209 SKFH316 SKFN303ECP SKFNNU4926B/SPW33 SKFSYNT50LTF

SI45TXE-2LS免维护的杆端关节轴承近似的SKF轴承型号

SKFSA45TXE-2LS SKFSIA45TXE-2LS SKFSALA45TXE-2LS SKFSIL45TXE-2LS SKFSI45TXE-2LS SKFSILA45TXE-2LS SKFSAL45TXE-2LS SKFSAA45TXE-2LS SKFSI45ES-2RS SKFSI50ES-2RS

用户关注最多的轴承狗热门型号

KOYO  47T563927A RHP  71915AC INA  APLSE45-FE SKF  AXK85110 KOYO  6015-RS RHP  7334B RHP  6217N TIMKEN  AOH24056 FYH  UKFLU212+H2312 FAG  SNV100-L + 1309-K-TVH-C3 + H309X108 + DH609X107 NSK  7306ADT INA  IR65X72X45 SKF  7011AC/DF 国产  6013-2RS/Z3 SKF  CR400405

版权所有©2009-2015 轴承狗zcgou.com ICP备案:津ICP备14004550号-13