SKFSI40TXE-2LS轴承详细参数

发布时间:2026-04-15
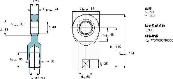
免维护杆端, 阴螺纹, 钢/PTFE织物 , 两面密封件
主要数据尺寸 角度倾的 基本负荷额定值 质量 型号
动态 静态 轴承座完全与密封件
d d2 B d3 C1 h1± C C0
6H
mm 度数 kN kg -
409428M 42x32414562801662,20SI 40 TXE-2LS

SKFSI40TXE-2LS免维护的杆端关节轴承供应商

八零动力专业销售SI40TXE-2LS免维护的杆端关节轴承,库存SKFSI40TXE-2LS大量现货,与SKF合作,咨询热线:022-58519723业务咨询
SKFSI40TXE-2LS它的质量可靠,是众多机械设备制造商的首选配件轴承的耐用性极佳,为设备的长期稳定运行提供了保障是您机械世界里的不败功臣,品质卓越的它,在各种工况下都能展现出优异的性能设计合理、性能优良的它,是机械设备稳定运行的重要保障它在机床设备中的应用,确保了加工精度 ,八零动力SKF免维护的杆端关节轴承品种全,价格优,质量有保证!

用户关注最多的SKF轴承型号

SKF22234CC/W33 SKF23292CACK/W33 SKF332171 SKF7001ACD/HCP4A SKFBT4B334125/HA1 SKFC3180KM+OH3180H* SKFFSAFC2615 SKFFSYE2.1/2H-3 SKFFY20FM SKFHK1416 SKFHMV30E SKFNU2332ECMA SKFPCZ1412M SKFS71913ACD/P4A SKFSDAF22544

SI40TXE-2LS免维护的杆端关节轴承近似的SKF轴承型号

SKFSI40TXE-2LS SKFSALA40TXE-2LS SKFSIA40TXE-2LS SKFSILA40TXE-2LS SKFSIL40TXE-2LS SKFSA40TXE-2LS SKFSAA40TXE-2LS SKFSAL40TXE-2LS SKFSI40ES-2RS SKFSI45ES-2RS

用户关注最多的轴承狗热门型号

FLT  NU314 SKF  FYTJ30TF NSK  NUP210EW LYC  NU 316 EM/C3 FYH  UCP311 GMN  7240AC FAG  32309-BA SKF  71810CD/P4A SKF  29416 NACHI  6818 SKF  SNW18x3.3/16 SKF  CR520.7x558.8x38.1HDSA2RD SKF  NK35/20 SKF  NNU4860/W33 IKO  TAFI71716

版权所有©2009-2015 轴承狗zcgou.com ICP备案:津ICP备14004550号-13