SKF249/800CA/W33*轴承详细参数

发布时间:2026-05-30
球面滚子轴承, 圆柱和圆锥孔, 圆柱型内孔, 无密封件
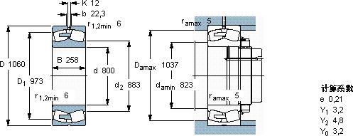
主要数据尺寸 基本负荷额定值 疲劳负荷限值 额定速度 体积 型号
动态 静态 参照速度 限制速度
d D B C C0 Pu * - SKF Explorer 轴承
mm kN kN r/min kg -
80010602588000193001060260430640249/800 CA/W33 *

SKF249/800CA/W33*球面滚子轴承供应商

八零动力专业销售249/800CA/W33*球面滚子轴承,库存SKF249/800CA/W33*大量现货,与SKF合作,咨询热线:022-58519723业务咨询
SKF249/800CA/W33*这轴承的设计巧妙,充分考虑了设备的运行需求和维护便利性它的精密制造工艺,让人叹为观止 性能优越的轴承,极大地提高了设备的工作效率和稳定性优秀的设计和卓越的性能,让这款轴承备受青睐优秀的设计理念和精湛的制造工艺,成就了这款杰出的轴承先进的生产工艺,让这款轴承的性能得到了极大提升,八零动力SKF球面滚子轴承品种全,价格优,质量有保证!

用户关注最多的SKF轴承型号

SKF3209A-RS SKF71914CD/HCP4A SKF7200AC SKF7213BEGAY SKFCR14247 SKFCR25x62x7CRW1R SKFCR65x88x8CRW1R SKFHA2324 SKFNATV8PPA SKFNJ320ECP* SKFNNU4944/W33 SKFPCM505530M SKFSAF22622x3.7/8 SKFSIA80ES-2RS SKFYAR213-211-2F

249/800CA/W33*球面滚子轴承近似的SKF轴承型号

SKF249/710CAK30/W33* SKF249/950CA/W33 SKF249/1320CAK30F/W33 SKF249/850CA/W33* SKF249/1060CAK30F/W33 SKF249/750CA/W33 SKF249/850CAK30/W33* SKF249/1060CAF/W33 SKF249/1000CAK30/W33 SKF249/1180CAK30F/W33 SKF249/800CAK30/W33* SKF249/850CAK30/W33*

用户关注最多的轴承狗热门型号

SKF  NJ1940ECMP NSK  7009CTYNSULP4 INA  RSHE35-N SKF  6210-2RZ NACHI  O-10 INA  HK1620-2RS SKF  SYR2.11/16H-3 SKF  C4044K30V* NTN  6018-2RS SKF  22310CCK/W33 SKF  OKCX800 NTN  NU2318 NSK  60BER10H FAG  B71904-E-2RSD-T-P4S IKO  AZK6510011

版权所有©2009-2015 轴承狗zcgou.com ICP备案:津ICP备14004550号-13