SKF249/1060CAF/W33轴承详细参数

发布时间:2026-05-30
球面滚子轴承, 圆柱和圆锥孔, 圆柱型内孔, 无密封件
主要数据尺寸 基本负荷额定值 疲劳负荷限值 额定速度 体积 型号
动态 静态 参照速度 限制速度
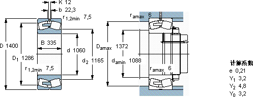
d D B C C0 Pu
mm kN kN r/min kg -
10601400335115003250018601602801400249/1060 CAF/W33

SKF249/1060CAF/W33球面滚子轴承供应商

八零动力专业销售249/1060CAF/W33球面滚子轴承,库存SKF249/1060CAF/W33大量现货,与SKF合作,咨询热线:022-58519723业务咨询
SKF249/1060CAF/W33承载重托它的润滑技术,让摩擦降至最低 这款轴承的运转十分平稳,几乎感受不到任何震动精准运转轴承的选材精良,确保了其具有良好的耐磨性和抗腐蚀性减少摩擦降低能耗,八零动力SKF球面滚子轴承品种全,价格优,质量有保证!

用户关注最多的SKF轴承型号

SKF23180CAK/W33* SKF23196CAK/W33* SKF2x7206BECBM* SKF61930 SKF71909CD/HCP4A SKFCR390x434x20HDS2R SKFCR89X127X11.1CRWHA1P SKFGX35F SKFN207ECM* SKFNJ321ECP* SKFNUP222ECP* SKFNUP2324ECMA* SKFQJ1076N2MA SKFS71911FB/P7 SKFTU1.1/4FM

249/1060CAF/W33球面滚子轴承近似的SKF轴承型号

SKF249/1180CAF/W33 SKF249/800CAK30/W33* SKF249/950CAK30/W33 SKF249/850CAK30/W33* SKF249/950CA/W33 SKF249/1000CA/W33 SKF249/1320CAK30F/W33 SKF249/750CA/W33 SKF249/1180CAK30F/W33 SKF249/1060CAF/W33 SKF249/1000CA/W33 SKF249/1060CAK30F/W33

用户关注最多的轴承狗热门型号

SKF  NK38/20 INA  CSXC065 SKF  P35TF FAG  BND3126-H-C-Y-AF-S GMN  7209C LYC  29318 STEYR  7318B/DT TIMKEN  HM88649A/HM88610 RIV  NF222 LYC  23068 K/W33C3 NACHI  6218 SKF  CR35X49X6HMS5RG TIMKEN  XUB-30216/YFA30216 SKF  GEH30ES-2LS NSK  CM-UCF213D1

版权所有©2009-2015 轴承狗zcgou.com ICP备案:津ICP备14004550号-13