SKF240/600ECAF/W33*轴承详细参数

发布时间:2026-05-30
球面滚子轴承, 圆柱和圆锥孔, 圆柱型内孔, 无密封件
主要数据尺寸 基本负荷额定值 疲劳负荷限值 额定速度 体积 型号
动态 静态 参照速度 限制速度
d D B C C0 Pu * - SKF Explorer 轴承
mm kN kN r/min kg -
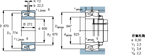
6008702728150170001100340560520240/600 ECAF/W33 *

SKF240/600ECAF/W33*球面滚子轴承供应商

八零动力专业销售240/600ECAF/W33*球面滚子轴承,库存SKF240/600ECAF/W33*大量现货,与SKF合作,咨询热线:022-58519723业务咨询
SKF240/600ECAF/W33*优秀的轴承,就像精密仪器的心脏,确保着整个系统的高效运转是您设备高效运转的可靠伙伴,品质卓越的它,为机械设备的稳定、高效运行提供了支持它的质量过硬,为机械设备的高效、安全运行提供了保障这轴承的选材讲究,坚固耐用,寿命远超同类产品为设备的精确运行提供了保障,该轴承的精度控制精准,为设备的精确运行提供了保障,八零动力SKF球面滚子轴承品种全,价格优,质量有保证!

用户关注最多的SKF轴承型号

SKF2x7206BECBP* SKF5213E SKFAXK6590 SKFBT4-8037G/HA1VA901 SKFCR260x290x16HS8R SKFCR50X85X10HMSA10RG SKFFYT3/4TF/AH SKFNJ314ECP* SKFNNCF4980CV SKFNNF5006ADA-2LSV SKFNU211ECM* SKFPFT7/8FM SKFS7011ACD/HCP4A SKFSC71919FB/P7 SKFYAR207-105-2F

240/600ECAF/W33*球面滚子轴承近似的SKF轴承型号

SKF24044CCK30/W33* SKF240/670ECA/W33* SKF24036-2CS5/VT143* SKF24024CCK30/W33+AH24024* SKF240/560ECA/W33* SKF240/1120CAK30F/W33 SKF240/630ECJ/W33* SKF240/600ECAK30/W33+AOH240/600* SKF24028CC/W33* SKF240/750ECAK30/W33* SKF240/600ECAK30/W33+AOH240/600* SKF240/600ECAK30F/W33*

用户关注最多的轴承狗热门型号

国产  K14*20*12 国产  6208/Z2 SKF  609-2RSH 国产  7205CTA INA  SL182924 INA  SL182240 LYC  LY-9011 SKF  RNA4830 FAG  SNV160-L + 1218-K-TVH-C3 + H218X302 + DH518 LYC  NU 2324 EM DKF  7218B/DF SKF  BTM60B/HCP4CDBA MAC  NUP2317 TIMKEN  594A/592D/X2S-594 NTN  7207C/DT

版权所有©2009-2015 轴承狗zcgou.com ICP备案:津ICP备14004550号-13