SKF24026-2CS5/VT143*轴承详细参数

发布时间:2026-04-15
球面滚子轴承, 圆柱和圆锥孔, 圆柱型内孔, 两面密封件
主要数据尺寸 基本负荷额定值 疲劳负荷限值 额定速度 体积 型号
动态 静态 参照速度 限制速度
d D B C C0 Pu * - SKF Explorer 轴承
mm kN kN r/min kg -
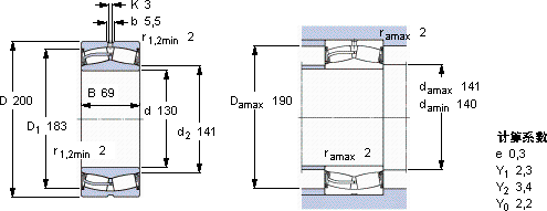
1302006954081581,5-6008,0524026-2CS5/VT143 *

SKF24026-2CS5/VT143*球面滚子轴承供应商

八零动力专业销售24026-2CS5/VT143*球面滚子轴承,库存SKF24026-2CS5/VT143*大量现货,与SKF合作,咨询热线:022-58519723业务咨询
SKF24026-2CS5/VT143*制造工艺先进,使得这款轴承的性能远超普通产品轴承的稳定性和可靠性表现出色,赢得了用户的高度认可它的抗剪切性能,确保了它的结构稳定性 这轴承的选材讲究,坚固耐用,寿命远超同类产品高精度低摩擦它的轴向跳动控制,确保了机械的平稳运行 ,八零动力SKF球面滚子轴承品种全,价格优,质量有保证!

用户关注最多的SKF轴承型号

SKF23230CCK/W33+H2330 SKF6309-2RS1TN9/HC5C3WT SKF7003AC/DB SKF71826CD/HCP4A SKFCR14X25X5HMSA10RG SKFCR17035 SKFCR33X45X7HMSA10V SKFCR400125 SKFCR40X72X9CRSH1R SKFCR65x85x8CRW1V SKFGAC45F SKFPCM455020E SKFPDNB222 SKFSNW134x5.13/16 SKFSY2.15/16WF

24026-2CS5/VT143*球面滚子轴承近似的SKF轴承型号

SKF24026CCK30/W33* SKF24026CC/W33* SKF24026CCK30/W33+AH24026* SKF24026-2CS5/VT143* SKF24024CC/W33* SKF24026CCK30/W33

用户关注最多的轴承狗热门型号

TORRINGTON  23080CACK/W33+H3080 TORRINGTON  24068CACK30/W33 NACHI  E32213J FAG  BND2228-Z-Y-BF-S TORRINGTON  AXK3047 FAG  22205-E1-K + H305 SKF  RN-3x17.8BF/G2 MAC  N230 NMB  L-1370ZZ LYC  352222 X2 FAG  BND3138-Z-Y-AL-S LYC  22322 CA/W33 FAG  3207-B-TVH NTN  23126B SKF  2210E-2RS1KTN9

版权所有©2009-2015 轴承狗zcgou.com ICP备案:津ICP备14004550号-13