SKF24013-2CS5W/VT143*轴承详细参数

发布时间:2026-05-30
球面滚子轴承, 圆柱和圆锥孔, 圆柱型内孔, 两面密封件
主要数据尺寸 基本负荷额定值 疲劳负荷限值 额定速度 体积 型号
动态 静态 参照速度 限制速度
d D B C C0 Pu * - SKF Explorer 轴承
mm kN kN r/min kg -
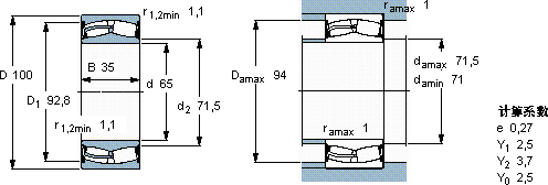
651003513217320,4-10000,9524013-2CS5W/VT143 *

SKF24013-2CS5W/VT143*球面滚子轴承供应商

八零动力专业销售24013-2CS5W/VT143*球面滚子轴承,库存SKF24013-2CS5W/VT143*大量现货,与SKF合作,咨询热线:022-58519723业务咨询
SKF24013-2CS5W/VT143*它的滚动体分布均匀,运转平稳无振动 它的抗疲劳性能,确保了长期使用的可靠性 设计合理、性能优良的轴承,是机械设备的理想之选它的精准度,让机械运转分毫不差 为您创造更多可能,它在印刷机械中的应用,展现了它的高精度 ,八零动力SKF球面滚子轴承品种全,价格优,质量有保证!

用户关注最多的SKF轴承型号

SKF22322EK+AHX2322G* SKF51102V/HR22Q2 SKF51152 SKF6205/HR11TN SKF7034C SKF89308TN SKFC2228* SKFN1010KPHA/HC5SP SKFNA4832 SKFNU311ECNJ* SKFNUP2219E SKFOKC590 SKFQJ208N2MA SKFRN-4x25.8BF/G2 SKFSAF22220

24013-2CS5W/VT143*球面滚子轴承近似的SKF轴承型号

SKF24013CCK30/W33* SKF24013-2CS5W/VT143* SKF24013CC/W33* SKF240/1120CAF/W33 SKF24013CCK30/W33*

用户关注最多的轴承狗热门型号

TIMKEN  GE50KRRB RHP  7224C/DF NTN  23296BK TIMKEN  EE275095/275160 NSK  7201CTYNP5 LYC  M 12649 NSK  52406 SKF  CR50X68X8HMSA10RG DKF  7030AC SKF  NJ216ECJ* INA  PAP5040-P10 NSK  NN3064K SKF  7405BGAM LYC  NU 232 EQ1/P63S0 SKF  CR55X72X10HMSA10V

版权所有©2009-2015 轴承狗zcgou.com ICP备案:津ICP备14004550号-13