SKFQJ1260N2MA轴承详细参数

发布时间:2026-05-30
角接触球轴承, 四点接触球轴承
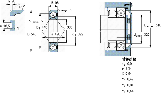
主要数据尺寸 基本负荷额定值 疲劳负荷限值 额定速度 体积 型号
动态 静态 参照速度 限制速度
d D B C C0 Pu
mm kN kN r/min kg -
30054098832176036,512001900105QJ 1260 N2MA

SKFQJ1260N2MA角接触球轴承供应商

八零动力专业销售QJ1260N2MA角接触球轴承,库存SKFQJ1260N2MA大量现货,与SKF合作,咨询热线:022-58519723业务咨询
SKFQJ1260N2MA轴承的耐用性超乎想象,有效降低了设备的维护成本它的轴向游隙控制,精准到令人惊叹 它的质量过硬,为机械设备的高效、安全、稳定运行 它在建筑机械中的应用,确保了设备的可靠性 它在船舶工业中的应用,展现了它的耐腐蚀性 其设计和制造工艺都达到了国际先进水平,是一款优质轴承,八零动力SKF角接触球轴承品种全,价格优,质量有保证!

用户关注最多的SKF轴承型号

SKF358155 SKF6219NR* SKF6219/C3VL0241 SKF60/560N1MAS SKF61916-RZ SKF6201* SKF7302B/DB SKFBT4-8062G/HA1VA901 SKFCR16X30X7HMSA10V SKFCR26X37X7HMS5RG SKFCR28X44X6HMS5V SKFNJ1076MA SKFNNU4956BK/SPW33 SKFNU2204E SKFPCZ3648B

QJ1260N2MA角接触球轴承近似的SKF轴承型号

SKFQJ1260N2MA SKFQJ1256N2MA SKFQJ1264N2MA

用户关注最多的轴承狗热门型号

LYC  6017E 国产  NU340Q4/YA4 ASK  NU2311 SKF  CR180X210X15HMS1V KOYO  NU1008 SKF  CR20X40X7HMS5RG LYC  QJ 228 N2Q1/P63S0 MAC  NJ2305 TIMKEN  21075/21212-B FAG  BND3168-H-W-Y-AF-S FAG  SD3148-H-TS-BL-L + 231SM220-MA TIMKEN  9078/9195 INA  RCJ65-214 TIMKEN  82587D/82931+Y1S-82931 IKO  MXG15

版权所有©2009-2015 轴承狗zcgou.com ICP备案:津ICP备14004550号-13