SKF240/850ECA/W33轴承详细参数

发布时间:2026-05-30
球面滚子轴承, 圆柱和圆锥孔, 圆柱型内孔, 无密封件
主要数据尺寸 基本负荷额定值 疲劳负荷限值 额定速度 体积 型号
动态 静态 参照速度 限制速度
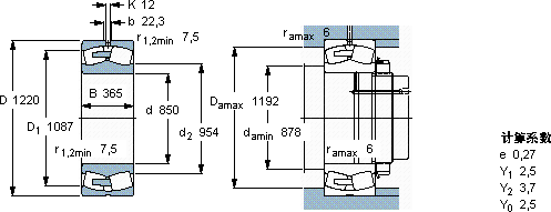
d D B C C0 Pu
mm kN kN r/min kg -
8501220365127003150019002003601410240/850 ECA/W33

SKF240/850ECA/W33球面滚子轴承供应商

八零动力专业销售240/850ECA/W33球面滚子轴承,库存SKF240/850ECA/W33大量现货,与SKF合作,咨询热线:022-58519723业务咨询
SKF240/850ECA/W33优秀的设计理念和精湛的制造工艺,成就了这款杰出的轴承该轴承的性能出色,有效提升了机械设备的整体性能它的微观表面处理,减少了摩擦和磨损 持久转动它的承载能力,堪称机械界的“大力士” 轴承的稳定性和可靠性表现出色,赢得了用户的高度认可,八零动力SKF球面滚子轴承品种全,价格优,质量有保证!

用户关注最多的SKF轴承型号

SKF331440 SKF7021AC/DT SKF7210BECBY SKFBEAB351866A SKFBFDB353238/HA3 SKFC31/530KM/HA3C4* SKFCR32412 SKFCR524209 SKFNNF5016ADB-2LSV SKFS71907ACD/P4A SKFSAL80TXE-2LS SKFSDAF22620x3.5/16 SKFSNL3084LTURT SKFSNW10x1.3/4 SKFWS81244

240/850ECA/W33球面滚子轴承近似的SKF轴承型号

SKF24052CCK30/W33* SKF24056CC/W33* SKF24084ECAK30/W33+AOH24084* SKF24080ECCK30J/W33* SKF23240-2CS5K/VT143* SKF24036-2CS5/VT143* SKF240/750ECAK30/W33* SKF24030CCK30/W33+AH24030* SKF24034CCK30/W33* SKF240/600ECAK30/W33+AOH240/600* SKF240/850ECAK30/W33 SKF240/900ECAK30/W33+AOH240/900

用户关注最多的轴承狗热门型号

INA  SCE2012-P FAG  LOE634-N-AL-L KOYO  4203 TIMKEN  JM738249/JM738210 SNR  7219C TIMKEN  K35X48X22,8H.ZB2 MRC  7202AC/DT 国产  6302E KOYO  68450/712 SKF  FYNT65F FAG  H241/600-HG KOYO  45352 RHP  7330B/DF TIMKEN  M88048A/M88010 TIMKEN  M270449DA/M270410+M270410EA

版权所有©2009-2015 轴承狗zcgou.com ICP备案:津ICP备14004550号-13