SKF24038CC/W33*轴承详细参数

发布时间:2026-05-30
球面滚子轴承, 圆柱和圆锥孔, 圆柱型内孔, 无密封件
主要数据尺寸 基本负荷额定值 疲劳负荷限值 额定速度 体积 型号
动态 静态 参照速度 限制速度
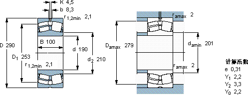
d D B C C0 Pu * - SKF Explorer 轴承
mm kN kN r/min kg -
190290100112018001631400200024,524038 CC/W33 *

SKF24038CC/W33*球面滚子轴承供应商

八零动力专业销售24038CC/W33*球面滚子轴承,库存SKF24038CC/W33*大量现货,与SKF合作,咨询热线:022-58519723业务咨询
SKF24038CC/W33*设计合理、性能优良的它,是机械设备实现高效运行的重要保障它的抗剪切性能,确保了它的结构稳定性 它的设计巧妙,在保证性能的同时,还兼顾了安装的便捷性质量上乘的轴承,为设备的高效稳定运行奠定了基础为您的工程保驾护航,它的润滑技术,减少了摩擦和磨损 ,八零动力SKF球面滚子轴承品种全,价格优,质量有保证!

用户关注最多的SKF轴承型号

SKF232/500CAK/W33+OH32/500H* SKF24128CC/W33* SKF2x7315BECBP* SKF316968A SKF6009/HR11TN SKF7240B/DF SKFC41/500MB* SKFCR25X46X7HMS5V SKFCR34X62X10HMSA10RG SKFCR420x464x20HDS2R SKFFSYE2.3/4-18 SKFHMVC96E SKFN326ECM* SKFNA4909RS SKFSYE2.1/2N-118

24038CC/W33*球面滚子轴承近似的SKF轴承型号

SKF24038CCK30/W33+AH24038* SKF24038CC/W33* SKF24038CCK30/W33* SKF24038CC/W33 SKF24040CCK30/W33

用户关注最多的轴承狗热门型号

KINGON  F602X BARDEN  7210C/DT RHP  NU2322 FAG  NJ2334-EX-M1 + HJ2334EX LYC  6279/6220 SKF  331981 SNR  32222 SKF  OKCX840 SKF  LM48548A/510/Q SKF  GE40ES-2RS SKF  SAKAC18M TIMKEN  33215 /33215 NACHI  NUP315E LYC  22334 Z/HN IKO  LRT9510536

版权所有©2009-2015 轴承狗zcgou.com ICP备案:津ICP备14004550号-13