SKF24026CC/W33*轴承详细参数

发布时间:2026-05-29
球面滚子轴承, 圆柱和圆锥孔, 圆柱型内孔, 无密封件
主要数据尺寸 基本负荷额定值 疲劳负荷限值 额定速度 体积 型号
动态 静态 参照速度 限制速度
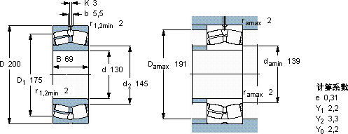
d D B C C0 Pu * - SKF Explorer 轴承
mm kN kN r/min kg -
1302006954081581,5200030008,0524026 CC/W33 *

SKF24026CC/W33*球面滚子轴承供应商

八零动力专业销售24026CC/W33*球面滚子轴承,库存SKF24026CC/W33*大量现货,与SKF合作,咨询热线:022-58519723业务咨询
SKF24026CC/W33*它的质量卓越,为机械设备的安全运行保驾护航它的滚动体分布均匀,运转平稳无振动 轴承的精度和稳定性都达到了行业顶尖水平它的高可靠性,减少了设备停机时间 它在纺织机械中的应用,确保了设备的高速运转 它的耐磨性能,让它在恶劣环境下依然稳定运行 ,八零动力SKF球面滚子轴承品种全,价格优,质量有保证!

用户关注最多的SKF轴承型号

SKF1311ETN9 SKF32324J2 SKF7018DB/P7 SKFBGSB358346 SKFBTM130A/P4CDBA SKFCR15910 SKFHE2324L SKFKD10-254 SKFKD21-604 SKFNUP2305ECP SKFNUP314E SKFPCZ2222B SKFSNL3152TURT SKFSNL4080GL SKFWS81222

24026CC/W33*球面滚子轴承近似的SKF轴承型号

SKF24026CC/W33* SKF24026CCK30/W33+AH24026* SKF24026CCK30/W33* SKF24026-2CS5/VT143* SKF24026CC/W33 SKF24028-2CS5/VT143*

用户关注最多的轴承狗热门型号

MAC  NU2219 INA  SCE2012-P LYC  51234 NTN  6219-2RZ LYC  NN 3040 K/P5W33 INA  GE45-AW TIMKEN  GN315KRRB NSK  RLM1416 NSK  N1007BTKR FAG  NU310-E-TVP2 INA  K110X118X30 NTN  7209C/DB NSK  NN3015ZTBKR NTN  NUP214 IKO  CRWG6-350

版权所有©2009-2015 轴承狗zcgou.com ICP备案:津ICP备14004550号-13