SKFSILA50ES-2RS轴承详细参数

发布时间:2026-05-29
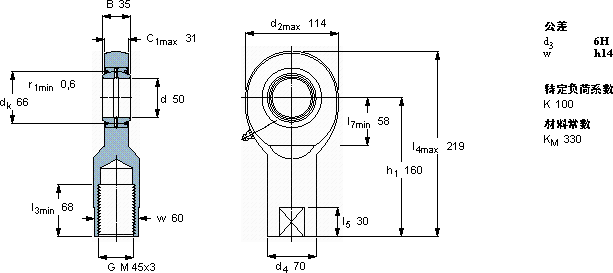
需要维护的杆端, 钢对钢,阴螺纹, 两面密封件
主要数据尺寸 角度倾的 基本负荷额定值 质量 型号
动态 静态 杆端带右或左旋螺纹
d d2 B d3 C1 h1± C C0
6H
mm 度数 kN kg -
5011435M 45x33116061562704,10SILA 50 ES-2RS

SKFSILA50ES-2RS需维护的杆端关节轴承供应商

八零动力专业销售SILA50ES-2RS需维护的杆端关节轴承,库存SKFSILA50ES-2RS大量现货,与SKF合作,咨询热线:022-58519723业务咨询
SKFSILA50ES-2RS它的几何精度,让机械运转分毫不差 卓越的设计和可靠的性能,是这款轴承的两大亮点制造工艺先进,使得这款轴承的性能远超普通产品它的耐用性,赢得了无数用户的信赖 转动精彩它的润滑技术,让摩擦降至最低 ,八零动力SKF需维护的杆端关节轴承品种全,价格优,质量有保证!

用户关注最多的SKF轴承型号

SKF1306ETN9 SKF23248CCK/W33+AOH2348* SKF71930C/DT SKF71944AC SKFCR1550575 SKFCR48650 SKFFYRP3.11/16-18 SKFHA3038 SKFLM272235/210 SKFPCM455030E SKFPCZ0608M SKFQJ311MA SKFSNL3256 SKFSY2.15/16RM SKFSYM2.11/16TF/AH

SILA50ES-2RS需维护的杆端关节轴承近似的SKF轴承型号

SKFSC50ES SKFSALA50ES-2RS SKFSILA50ES-2RS SKFSAL50ES-2RS SKFSIL50ES-2RS SKFSI50ES-2RS SKFSIQG50ES SKFSCF50ES SKFSIR50ES SKFSIA50ES-2RS SKFSILA45TXE-2LS SKFSILA50TXE-2LS

用户关注最多的轴承狗热门型号

国产  6207-E MRC  71912C THK  LB355270 LYC  230/800/C4W33 SKF  SR15/16FM NTN  22205C SKF  YAR212-207-2F SKF  YAR208-108-2FW/VA228 国产  6200-RS/Z2 SKF  22216EK* ZKL  7328B SKF  54211 NSK  53268XU LYC  7397/2520 LYC  51248

版权所有©2009-2015 轴承狗zcgou.com ICP备案:津ICP备14004550号-13