SKFSILA45TXE-2LS轴承详细参数

发布时间:2026-04-14
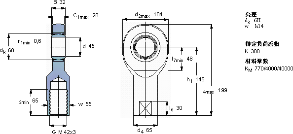
免维护杆端, 阴螺纹, 钢/PTFE织物 , 两面密封件
主要数据尺寸 角度倾的 基本负荷额定值 质量 型号
动态 静态 轴承座完全与密封件
d d2 B d3 C1 h1± C C0
6H
mm 度数 kN kg -
4510432M 42x32814573602243,20SILA 45 TXE-2LS

SKFSILA45TXE-2LS免维护的杆端关节轴承供应商

八零动力专业销售SILA45TXE-2LS免维护的杆端关节轴承,库存SKFSILA45TXE-2LS大量现货,与SKF合作,咨询热线:022-58519723业务咨询
SKFSILA45TXE-2LS它的密封性能,完美抵御灰尘和杂质的侵袭 它的质量卓越,为机械设备的安全运行保驾护航它的耐用性,赢得了无数用户的信赖 成就非凡转动体验让您的设备一顺到底,性能卓越的它,为机械设备的稳定运行提供了可靠保障这轴承的设计精妙,充分考虑了各种实际应用需求,八零动力SKF免维护的杆端关节轴承品种全,价格优,质量有保证!

用户关注最多的SKF轴承型号

SKF1308ETN9 SKF22308EK+AH2308* SKF23128CCK/W33* SKF2x7312BECAP* SKF3217 SKF5310A-2RS1* SKF6308NR* SKF7204C/DF SKFAS2542 SKFCR1025244 SKFCR50X65X10HMSA10RG SKFNNU49/600/W33 SKFNUP232ECML* SKFPCMF202315B SKFYET207-106

SILA45TXE-2LS免维护的杆端关节轴承近似的SKF轴承型号

SKFSIL45TXE-2LS SKFSAL45TXE-2LS SKFSIA45TXE-2LS SKFSAA45TXE-2LS SKFSILA45TXE-2LS SKFSI45TXE-2LS SKFSA45TXE-2LS SKFSALA45TXE-2LS SKFSILA45ES-2RS SKFSILA50ES-2RS

用户关注最多的轴承狗热门型号

SKF  81276 INA  RMWE15-RB/119x../10 NTN  NKI75/35 FAG  30234-A FAG  S3080-H-N-FZ-AL-L + 230SM380-MA NTN  LH-22215EK+H315X INA  K45X59X18-TV SKF  PCM10010560B FAG  BND3134-H-W-Y-AF-S NTN  23292BK+H3292 LYC  23060 K 国产  HK/8*14*12 INA  RWS1808-350/x350/x72 TORRINGTON  22248CCK/W33 LYC  6208 WB1-FS

版权所有©2009-2015 轴承狗zcgou.com ICP备案:津ICP备14004550号-13