SKFSALA50ES-2RS轴承详细参数

发布时间:2026-05-30
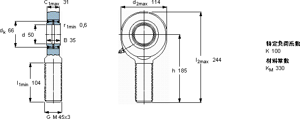
需要维护的杆端, 钢对钢,阳螺纹, 两面密封件
主要数据尺寸 角度倾的 基本负荷额定值 质量 型号
动态 静态 杆端带右或左旋螺纹
d d2 B d3 C1 h ± C C0
6g
mm 度数 kN kg -
5011435M 45x33118561562453,55SALA 50 ES-2RS

SKFSALA50ES-2RS需维护的杆端关节轴承供应商

八零动力专业销售SALA50ES-2RS需维护的杆端关节轴承,库存SKFSALA50ES-2RS大量现货,与SKF合作,咨询热线:022-58519723业务咨询
SKFSALA50ES-2RS从制造工艺到实际性能,这款轴承都表现得十分出色,这款轴承的运转十分平稳,几乎感受不到任何震动它的材质选择,体现了对品质的极致追求 它的几何精度,让机械运转分毫不差 是机械世界的璀璨明星,它在船舶工业中的应用,展现了它的耐腐蚀性 ,八零动力SKF需维护的杆端关节轴承品种全,价格优,质量有保证!

用户关注最多的SKF轴承型号

SKF1305K SKF3310DNRCBM SKF2x7214BECBM* SKF53208 SKFC31/850KMB+OH31/850HE* SKFC7022FB/P7 SKFCR38X58X10HMSA10V SKFCR47X70X10HMSA10RG SKFCR99215 SKFGS89311 SKFNN3007/SP SKFNNU4956BK/SPW33 SKFNU214ECM* SKFNU2320ECM* SKFPCM323620B

SALA50ES-2RS需维护的杆端关节轴承近似的SKF轴承型号

SKFSA50ES-2RS SKFSIQG50ES SKFSILA50ES-2RS SKFSC50ES SKFSCF50ES SKFSIR50ES SKFSALA50ES-2RS SKFSIA50ES-2RS SKFSIJ50ES SKFSAL50ES-2RS SKFSALA45TXE-2LS SKFSALA50TXE-2LS

用户关注最多的轴承狗热门型号

SKF  32944 NSK  HR30309J NSK  NUP318W TIMKEN  SDAF22328 NTN  NU406 ASAHI  UCFU206 NTN  AXK1226 NTN  N218 SKF  NU1048 MRC  6305-2RS ZKL  7204B/DB SKF  23140CCK/33+H3140 LYC  24124 CA/W33 TIMKEN  YAE20RR IKO  AZK30475

版权所有©2009-2015 轴承狗zcgou.com ICP备案:津ICP备14004550号-13