SKFSILA50TXE-2LS轴承详细参数

发布时间:2026-04-14
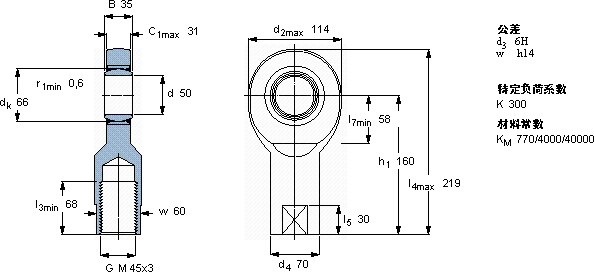
免维护杆端, 阴螺纹, 钢/PTFE织物 , 两面密封件
主要数据尺寸 角度倾的 基本负荷额定值 质量 型号
动态 静态 轴承座完全与密封件
d d2 B d3 C1 h1± C C0
6H
mm 度数 kN kg -
5011435M 45x33116064402704,10SILA 50 TXE-2LS

SKFSILA50TXE-2LS免维护的杆端关节轴承供应商

八零动力专业销售SILA50TXE-2LS免维护的杆端关节轴承,库存SKFSILA50TXE-2LS大量现货,与SKF合作,咨询热线:022-58519723业务咨询
SKFSILA50TXE-2LS轴承的选材优质,确保了其在各种环境下都能稳定工作它的热处理工艺,增强了它的硬度和韧性 精准承载它的高可靠性,减少了设备停机时间 它的低摩擦设计,减少了能量损耗 它的承载能力,堪称机械界的“大力士” ,八零动力SKF免维护的杆端关节轴承品种全,价格优,质量有保证!

用户关注最多的SKF轴承型号

SKF23036CCK/W33* SKF23080CCK/W33+AOH3080G* SKF24040CCK30/W33* SKF31314J2/QCL7CDF SKF315268BC SKF33109 SKF53208U SKF607/HR22Q2 SKF6216-2Z* SKF7006C SKFCR17284 SKFCR20X35X6HMSA10RG SKFFYJ30KF SKFHK2538 SKFS7017CD/HCP4A

SILA50TXE-2LS免维护的杆端关节轴承近似的SKF轴承型号

SKFSI50TXE-2LS SKFSAA50TXE-2LS SKFSIA50TXE-2LS SKFSIL50TXE-2LS SKFSA50TXE-2LS SKFSALA50TXE-2LS SKFSAL50TXE-2LS SKFSILA50TXE-2LS SKFSILA50ES-2RS SKFSILA60ES-2RS

用户关注最多的轴承狗热门型号

SKF  CR38669 KOYO  32917 国产  6248 LYC  RAH 2012 FAG  SD536-N-FZ-AF-L + 222SM160-TVPA LYC  32052 X2 FAG  SNV052-L + 22205-E1 + DH205 SNR  7034C/DF LYC  797/1060G2K1 INA  KSO12 NSK  7214A5 THK  LB203245 FAG  SNV120-L + 20311-K-TVP-C3 + H311X114 + TCV611X114 NSK  HR303/32 IKO  RNA49/68UU

版权所有©2009-2015 轴承狗zcgou.com ICP备案:津ICP备14004550号-13