SKFSIR50ES轴承详细参数

发布时间:2026-05-30
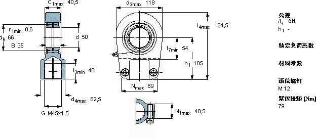
需要维护的杆端, 钢对钢,阴螺纹,用于液压滚筒
主要数据尺寸 角度倾的 基本负荷额定值 质量 型号
动态 静态 杆端带右旋螺纹
d d2 B d3 C1 h1± C C0
6H
mm 度数 kN kg -
5011835M45x1,540,510561562803,60SIR 50 ES

SKFSIR50ES需维护的杆端关节轴承供应商

八零动力专业销售SIR50ES需维护的杆端关节轴承,库存SKFSIR50ES大量现货,与SKF合作,咨询热线:022-58519723业务咨询
SKFSIR50ES开启顺畅运行新时代,它的密封性能,完美抵御灰尘和杂质的侵袭 卓越的性能表现,让这款轴承在市场上脱颖而出该轴承的性能卓越,完全满足了各种严苛工况的需求它的质量过硬,为机械设备的高效、安全、稳定运行 先进的制造工艺,让这款轴承的性能更加稳定可靠,八零动力SKF需维护的杆端关节轴承品种全,价格优,质量有保证!

用户关注最多的SKF轴承型号

SKF232/600CA/W33 SKF6204-Z* SKF7004C SKF7208BEP SKFC7009DB/P7 SKFCR1500243 SKFCR21248 SKFCR526339 SKFGEZ108ES SKFNK24/16 SKFNN3068K/W33 SKFNU2356MA SKFSAL60ES-2RS SKFSDAF22532x5.3/8 SKFSDAF23248KAx8.15/16

SIR50ES需维护的杆端关节轴承近似的SKF轴承型号

SKFSALA50ES-2RS SKFSILA50ES-2RS SKFSI50ES-2RS SKFSAL50ES-2RS SKFSAA50ES-2RS SKFSCF50ES SKFSIR50ES SKFSIJ50ES SKFSIA50ES-2RS SKFSC50ES SKFSIR40ES SKFSIR60ES

用户关注最多的轴承狗热门型号

SKF  P72R-1.3/16RM KOYO  NU218 RIV  NUP210 INA  PAP2220-P20 INA  PAP8060-P14 KOYO  7020C/DT FYH  UCP309 TIMKEN  T611F SKF  NNC4852CV LYC  24164/C3W33 NTN  24080BK30+AH24080H LYC  132.50.4000.03K2 IKO  TA1916Z IKO  BA2412Z IKO  LBE40UUOP

版权所有©2009-2015 轴承狗zcgou.com ICP备案:津ICP备14004550号-13