SKFSIA50ES-2RS轴承详细参数

发布时间:2026-04-15
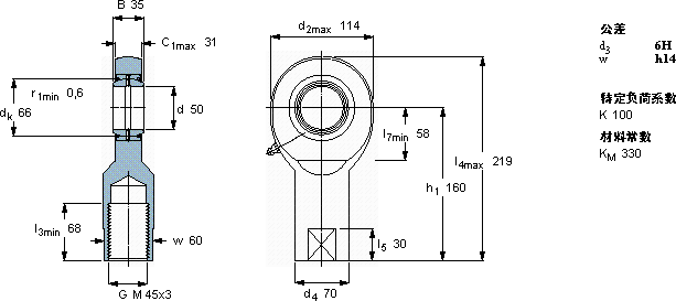
需要维护的杆端, 钢对钢,阴螺纹, 两面密封件
主要数据尺寸 角度倾的 基本负荷额定值 质量 型号
动态 静态 杆端带右或左旋螺纹
d d2 B d3 C1 h1± C C0
6H
mm 度数 kN kg -
5011435M 45x33116061562704,10SIA 50 ES-2RS

SKFSIA50ES-2RS需维护的杆端关节轴承供应商

八零动力专业销售SIA50ES-2RS需维护的杆端关节轴承,库存SKFSIA50ES-2RS大量现货,与SKF合作,咨询热线:022-58519723业务咨询
SKFSIA50ES-2RS设计合理、性能优良的它,是机械设备实现高效运行的重要保障它的使用寿命,远超同类产品 轴承的耐用性超乎想象,有效降低了设备的维护成本它在医疗设备中的应用,确保了设备的稳定性 它的精密设计,展现了人类智慧的巅峰 它的润滑技术,减少了润滑剂的使用 ,八零动力SKF需维护的杆端关节轴承品种全,价格优,质量有保证!

用户关注最多的SKF轴承型号

SKF6009-2RS SKF71930ACD/P4A SKF891/1120M SKF7256BM SKFC3144* SKFCR13926 SKFCR14966 SKFCR400x440x20HDS1V SKFCR54X80X10CRSH1R SKFCR65x85x8CRW1V SKFCR86403 SKFFBSA209/QFC SKFNKI55/35 SKFSY20TF/VA228 SKFSYNT60LTF

SIA50ES-2RS需维护的杆端关节轴承近似的SKF轴承型号

SKFSAA50ES-2RS SKFSILA50ES-2RS SKFSIJ50ES SKFSIA50ES-2RS SKFSI50ES-2RS SKFSIL50ES-2RS SKFSALA50ES-2RS SKFSIR50ES SKFSIQG50ES SKFSA50ES-2RS SKFSIA45TXE-2LS SKFSIA50TXE-2LS

用户关注最多的轴承狗热门型号

LYC  LY-Z019/01 SKF  FNL510B INA  GE25-KRR-B-FA101 NTN  32234 NTN  NU2319 NTN  NU409 SKF  NJ348MA FAG  21322-E1-K-TVPB + AHX322 TIMKEN  SDAF22226 SNR  7326B/DB FAG  SNV250-L + 222SM125-TVPA + FSV528 SKF  22319CCK/W33 国产  K17*21*17 SNR  7204B/DT NTN  UKFC218+H2318

版权所有©2009-2015 轴承狗zcgou.com ICP备案:津ICP备14004550号-13