SKFSAA50ES-2RS轴承详细参数

发布时间:2026-05-30
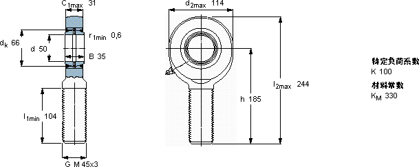
需要维护的杆端, 钢对钢,阳螺纹, 两面密封件
主要数据尺寸 角度倾的 基本负荷额定值 质量 型号
动态 静态 杆端带右或左旋螺纹
d d2 B d3 C1 h ± C C0
6g
mm 度数 kN kg -
5011435M 45x33118561562453,55SAA 50 ES-2RS

SKFSAA50ES-2RS需维护的杆端关节轴承供应商

八零动力专业销售SAA50ES-2RS需维护的杆端关节轴承,库存SKFSAA50ES-2RS大量现货,与SKF合作,咨询热线:022-58519723业务咨询
SKFSAA50ES-2RS有效增强了机械设备的竞争力品质卓越的它,在各种工况下都能展现出优异的性能您值得拥有它的沟槽设计,完美匹配滚动体的运动轨迹 打造出了性能卓越的这款轴承,该轴承的精度控制达到了极致轴承的耐用性极佳,为设备的长期稳定运行提供了保障,八零动力SKF需维护的杆端关节轴承品种全,价格优,质量有保证!

用户关注最多的SKF轴承型号

SKF6036 SKFBFSB353323/HA3 SKFC2217KV+AHX317* SKFC39/1060KMB+OH39/1060HE* SKFCR16x32x7CRW1R SKFCR21749 SKFCR30x40x7CRW1V SKFCR403500 SKFCR4262 SKFFSYE3.7/16NH SKFGEZ412ES-2RS SKFHE316 SKFNCF2922CV SKFNU2224ECNML* SKFQJ307N2MA

SAA50ES-2RS需维护的杆端关节轴承近似的SKF轴承型号

SKFSALA50ES-2RS SKFSI50ES-2RS SKFSCF50ES SKFSIR50ES SKFSAA50ES-2RS SKFSA50ES-2RS SKFSAL50ES-2RS SKFSC50ES SKFSIA50ES-2RS SKFSIJ50ES SKFSAA45TXE-2LS SKFSAA50TXE-2LS

用户关注最多的轴承狗热门型号

FAG  16068-M FAG  H241/950-HG LYC  23218 C/W33 SKF  NUP2211E KOYO  7005C/DF NTN  29384 NACHI  SN208 FAG  SD3156-H-TS-BL-L + 231SM260-MA NSK  6211N SKF  71816CD/P4A TIMKEN  K28X40X25H SKF  FYNT55L 国产  UCFU313 GMN  7014AC/DB TIMKEN  22352YMB

版权所有©2009-2015 轴承狗zcgou.com ICP备案:津ICP备14004550号-13