SKFSIL20ES轴承详细参数

发布时间:2026-04-14
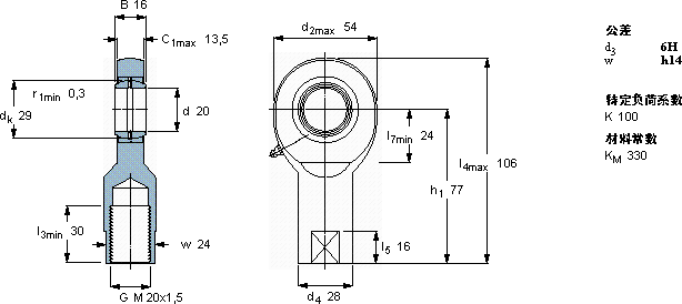
需要维护的杆端, 钢对钢,阴螺纹
主要数据尺寸 角度倾的 基本负荷额定值 质量 型号
动态 静态 杆端带右或左旋螺纹
d d2 B d3 C1 h1± C C0
6H
mm 度数 kN kg -
205416M 20x1,513,577930570,34SIL 20 ES

SKFSIL20ES需维护的杆端关节轴承供应商

八零动力专业销售SIL20ES需维护的杆端关节轴承,库存SKFSIL20ES大量现货,与SKF合作,咨询热线:022-58519723业务咨询
SKFSIL20ES稳定旋转的核心力量承载未来就是选择高效与可靠成就非凡转动体验让您的设备一顺到底,轴承的性能可靠,为机械设备的稳定运行立下汗马功劳精湛的工艺打造出的轴承,精度和稳定性都令人称赞,八零动力SKF需维护的杆端关节轴承品种全,价格优,质量有保证!

用户关注最多的SKF轴承型号

SKF23096CAK/W33+AOHX3096G* SKF239/950CAK/W33 SKF353058B SKF6017-RS SKF7011ACD/HCP4A SKFCR99819 SKFNJ222ECP* SKFNNU4934K/W33 SKFNNU49/600B/SPW33X SKFQJ309MA* SKFSAF23044KAx7.7/8 SKFSNL210 SKFSNP3192x17 SKFT2ED045 SKFW635

SIL20ES需维护的杆端关节轴承近似的SKF轴承型号

SKFSIQG20ES SKFSIJ20ES SKFSCF120ES SKFSA20ES SKFSIL20ES SKFSIR20ES SKFSCF20ES SKFSAKAC20M SKFSIQG200ES SKFSAL20ES SKFSIL20C SKFSIL25C

用户关注最多的轴承狗热门型号

SKF  NU317ECP NTN  22326CC/W33 KOYO  47T644826 MRC  6018-2Z NSK  7216BYDF SKF  NNF5010ADA-2LSV SKF  2x7315BECBJ SKF  CR85X115X12HMSA10V NACHI  7234C NACHI  22318EX SKF  NUP307ECML* FAG  B71918-C-2RSD-T-P4S INA  GAL60-UK-2RS SKF  C4036V* IKO  TRU304830UU

版权所有©2009-2015 轴承狗zcgou.com ICP备案:津ICP备14004550号-13