SKFSI40ES-2RS轴承详细参数

发布时间:2026-04-14
需要维护的杆端, 钢对钢,阴螺纹, 两面密封件
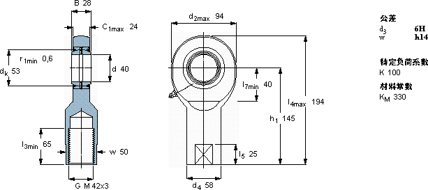
主要数据尺寸 角度倾的 基本负荷额定值 质量 型号
动态 静态 杆端带右或左旋螺纹
d d2 B d3 C1 h1± C C0
6H
mm 度数 kN kg -
409428M 42x32414561001662,20SI 40 ES-2RS

SKFSI40ES-2RS需维护的杆端关节轴承供应商

八零动力专业销售SI40ES-2RS需维护的杆端关节轴承,库存SKFSI40ES-2RS大量现货,与SKF合作,咨询热线:022-58519723业务咨询
SKFSI40ES-2RS它的耐高温性能,让它在极端环境下依然稳定运行 它的轴向跳动控制,确保了机械的平稳运行 转动的艺术它的质量卓越,为机械设备的安全运行保驾护航它的耐用性,赢得了无数用户的信赖 轴承的精度和稳定性都达到了行业顶尖水平,八零动力SKF需维护的杆端关节轴承品种全,价格优,质量有保证!

用户关注最多的SKF轴承型号

SKF21312E/W64* SKF71914ACD/P4A SKF7315B/DF SKFBSD3062CG SKFCR16201 SKFCR19884 SKFFSNL619TURU SKFFY15/16TF/AH SKFMB23 SKFN1019KTN9/SP SKFNU1056 SKFPCM14014560E SKFSNL3080F SKFSYE3.1/2N SKFYAR207-2RF/VE495

SI40ES-2RS需维护的杆端关节轴承近似的SKF轴承型号

SKFSCF40ES SKFSIQG40ES SKFSIA40ES-2RS SKFSILA40ES-2RS SKFSIJ40ES SKFSAA40ES-2RS SKFSALA40ES-2RS SKFSA40ES-2RS SKFSI40ES-2RS SKFSIR40ES SKFSI35TXE-2LS SKFSI40TXE-2LS

用户关注最多的轴承狗热门型号

SKF  21318CCK INA  SL183034 INA  RWS1808-200/x200/x10 国产  K/20*26*20ZW TIMKEN  74537/74856 NACHI  6313-2NSE SKF  CR41287 SKF  7030C/DT NTN  7012C/DB SKF  234414B FAG  SNV200-L + 22319-E1-K + H2319X306 + TCV519X306 INA  SL183010 INA  NA2205-2RSR INA  SD18X24X3 KOYO  NJ328E

版权所有©2009-2015 轴承狗zcgou.com ICP备案:津ICP备14004550号-13