SKFSIA40ES-2RS轴承详细参数

发布时间:2026-04-14
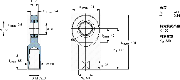
需要维护的杆端, 钢对钢,阴螺纹, 两面密封件
主要数据尺寸 角度倾的 基本负荷额定值 质量 型号
动态 静态 杆端带右或左旋螺纹
d d2 B d3 C1 h1± C C0
6H
mm 度数 kN kg -
409428M 39x32414261001662,20SIA 40 ES-2RS

SKFSIA40ES-2RS需维护的杆端关节轴承供应商

八零动力专业销售SIA40ES-2RS需维护的杆端关节轴承,库存SKFSIA40ES-2RS大量现货,与SKF合作,咨询热线:022-58519723业务咨询
SKFSIA40ES-2RS它的故障率极低,确保了设备的稳定运行 它的抗压强度,让它承载能力惊人 优秀的设计和卓越的性能,让这款轴承备受青睐以卓越品质轴承的耐用性出色,能够长时间保持良好的工作状态它在电子设备中的应用,展现了它的高精密性 ,八零动力SKF需维护的杆端关节轴承品种全,价格优,质量有保证!

用户关注最多的SKF轴承型号

SKF1308K SKF2207K SKF22316CCK/W33 SKF24144CC/W33* SKF312967E SKF5314A* SKF7017CE/HCP4A SKFC3176KMB+OH3176HE* SKFC40/710K30M+AOH240/710G* SKFCR40X52X8HMSA10V SKFCR80x110x12HMS4R SKFCR98x120x12CRW1V SKFLM12749/711/Q SKFNCF3012CV SKFYAR208-2RF/VE495

SIA40ES-2RS需维护的杆端关节轴承近似的SKF轴承型号

SKFSCF40ES SKFSA40ES-2RS SKFSIJ40ES SKFSC40ES SKFSI40ES-2RS SKFSAL40ES-2RS SKFSIQG40ES SKFSILA40ES-2RS SKFSALA40ES-2RS SKFSAA40ES-2RS SKFSI8E SKFSIA40TXE-2LS

用户关注最多的轴承狗热门型号

SKF  SI25ES SKF  W628/9-2Z GMN  7219C/DF INA  PAF20215-P10 SNR  1318 FAG  BND3240-H-W-T-BL-S GMN  71903C/DT NTN  NF264 SKF  C4038V* FAG  AH3272G-H SKF  CR40X65X10HMS5V LYC  6203 E/P52YA4 FAG  BND3052-H-W-T-AL-S FAG  SNV130-L + 2215-TVH + FSV215 IKO  KT182517

版权所有©2009-2015 轴承狗zcgou.com ICP备案:津ICP备14004550号-13