SKFSAL8E轴承详细参数

发布时间:2026-05-30
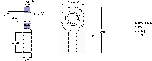
需要维护的杆端, 钢对钢,阳螺纹
主要数据尺寸 角度倾的 基本负荷额定值 质量 型号
动态 静态 杆端带右或左旋螺纹
d d2 B d3 C1 h ± C C0
6g
mm 度数 kN kg -
8258M 86,542153,48,150,029SAL 8 E

SKFSAL8E需维护的杆端关节轴承供应商

八零动力专业销售SAL8E需维护的杆端关节轴承,库存SKFSAL8E大量现货,与SKF合作,咨询热线:022-58519723业务咨询
SKFSAL8E它的低摩擦设计,减少了能量损耗 设计合理、性能优良的轴承,是机械设备的理想之选它在机器人领域的应用,展现了它的高精密性 性能卓越的它,为机械设备的稳定运行提供了可靠保障轴承的性能可靠,为机械设备的稳定运行立下汗马功劳旋转不息,八零动力SKF需维护的杆端关节轴承品种全,价格优,质量有保证!

用户关注最多的SKF轴承型号

SKF23034CCK/33+H3034 SKF23084CAK/W33* SKF61805-2RS1 SKF618/630MA SKF89308TN SKFBFDB353204 SKFBT2B328381/HA1 SKFC31/710MB* SKFCR405903 SKFCR544167 SKFCR72x100x10CRS1R SKFGE60ES-2RS SKFOKF680 SKFPCZ4040M SKFRN-2x7.8BF/G2

SAL8E需维护的杆端关节轴承近似的SKF轴承型号

SKFSIKAC5M SKFSAKAC8M SKFSIJ25ES SKFSA15ES SKFSIKAC12M SKFSILKAC20M SKFSIQG63ES SKFSIQG80ES SKFSIQG50ES SKFSIL35ES-2RS SKFSAL8C SKFSALA40ES-2RS

用户关注最多的轴承狗热门型号

FYH  UKFC218+H2318 FAG  BND2284-Z-Y-BL-S SKF  81106TN TIMKEN  64450/64700DC+X1S-64450 LYC  BFCDP 96136500/P53 SKF  FY1/2TF/AH SKF  CR52x68x8CRW1V INA  IR40X45X20 FAG  SNV150-L + 222SM75-TVPA + FSV517 SKF  HE305 STEYR  7238B/DF NTN  NK47/30 SKF  BD1B351883A TIMKEN  95500/95925-B SKF  CR20X30X5HMSA10RG

版权所有©2009-2015 轴承狗zcgou.com ICP备案:津ICP备14004550号-13