SKFSIL40ES-2RS轴承详细参数

发布时间:2026-04-26
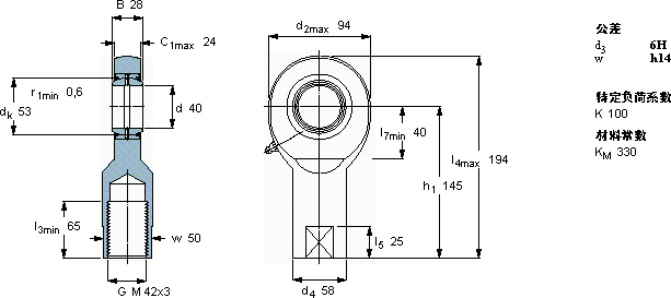
需要维护的杆端, 钢对钢,阴螺纹, 两面密封件
主要数据尺寸 角度倾的 基本负荷额定值 质量 型号
动态 静态 杆端带右或左旋螺纹
d d2 B d3 C1 h1± C C0
6H
mm 度数 kN kg -
409428M 42x32414561001662,20SIL 40 ES-2RS

SKFSIL40ES-2RS需维护的杆端关节轴承供应商

八零动力专业销售SIL40ES-2RS需维护的杆端关节轴承,库存SKFSIL40ES-2RS大量现货,与SKF合作,咨询热线:022-58519723业务咨询
SKFSIL40ES-2RS质量无可挑剔的轴承,在行业内树立了良好的口碑和形象为设备的精确运行提供了保障,该轴承的精度控制精准,为设备的精确运行提供了保障它的精密制造工艺,让人叹为观止 稳定旋转的核心力量轴承的稳定性和可靠性表现卓越,赢得了广泛赞誉优秀的设计理念和精湛的制造工艺,成就了这款杰出的轴承,八零动力SKF需维护的杆端关节轴承品种全,价格优,质量有保证!

用户关注最多的SKF轴承型号

SKF51672 SKF5215A SKF6002-2RZ SKF627/HR11QN SKF71917CD/P4A SKFAXK5070 SKFBSA307CG SKFC3236K+AH3236G* SKFGS89436 SKFIR20x25x16IS1 SKFN310E SKFNK12/12 SKFS7015ACD/P4A SKFSYE3.1/2NH-118 SKFYAR204-2RF/W64

SIL40ES-2RS需维护的杆端关节轴承近似的SKF轴承型号

SKFSI40ES-2RS SKFSIR40ES SKFSILA40ES-2RS SKFSIJ40ES SKFSIQG40ES SKFSIL40ES-2RS SKFSALA40ES-2RS SKFSIA40ES-2RS SKFSC40ES SKFSCF40ES SKFSIL35TXE-2LS SKFSIL40TXE-2LS

用户关注最多的轴承狗热门型号

SKF  6310 BARDEN  71936C 国产  NXZ-003 国产  618/3 INA  KSO16 国产  6212-ZNR 国产  6315-ZN BARDEN  7012C/DT INA  GIL17-UK FAG  BND2240-Z-T-BF-S NTN  22326B NACHI  NP417 SKF  KMFE23 FAG  SNV230-L + 22226-E1-K + H3126 + FSV526 FAG  BND3080-H-W-Y-AL-S

版权所有©2009-2015 轴承狗zcgou.com ICP备案:津ICP备14004550号-13