SKFSAA40ES-2RS轴承详细参数

发布时间:2026-05-30
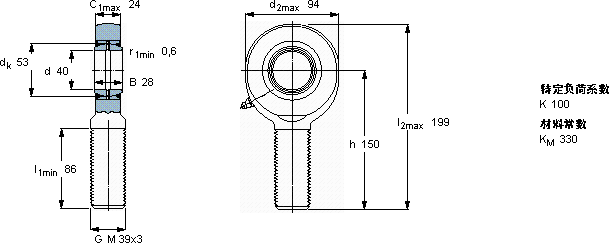
需要维护的杆端, 钢对钢,阳螺纹, 两面密封件
主要数据尺寸 角度倾的 基本负荷额定值 质量 型号
动态 静态 杆端带右或左旋螺纹
d d2 B d3 C1 h ± C C0
6g
mm 度数 kN kg -
409428M 39x32415061001401,85SAA 40 ES-2RS

SKFSAA40ES-2RS需维护的杆端关节轴承供应商

八零动力专业销售SAA40ES-2RS需维护的杆端关节轴承,库存SKFSAA40ES-2RS大量现货,与SKF合作,咨询热线:022-58519723业务咨询
SKFSAA40ES-2RS是您机械世界里的不败功臣,它在印刷机械中的应用,展现了它的高精度 它在农业机械中的应用,展现了它的耐用性 轴承的耐用性极佳,为设备的长期稳定运行提供了保障它的抗疲劳性能,确保了长期使用的可靠性 高精度的轴承,为设备的稳定运行提供了坚实保障,八零动力SKF需维护的杆端关节轴承品种全,价格优,质量有保证!

用户关注最多的SKF轴承型号

SKF21318EK+H318* SKF6318-RS1* SKF7012ACE/P4A SKF7208BECBJ SKF7032AC/DF SKFBT4B332906/HA4 SKFCR110x145x12CRW1R SKFCR51x81x9.53CRWH1R SKFCR57X90X13CRSH11R SKFIR55x60x25 SKFNUP205E SKFS7016ACD/HCP4A SKFRNAO20x32x12 SKFSYM1.7/16TF/AH SKFTUJ40TF

SAA40ES-2RS需维护的杆端关节轴承近似的SKF轴承型号

SKFSALA40ES-2RS SKFSAA40ES-2RS SKFSCF40ES SKFSA40ES-2RS SKFSIQG40ES SKFSIL40ES-2RS SKFSAL40ES-2RS SKFSILA40ES-2RS SKFSC40ES SKFSI40ES-2RS SKFSA8E SKFSAA40TXE-2LS

用户关注最多的轴承狗热门型号

NSK  NUP316W FAG  SNV080-L + 22208-E1-K + H308X106 + FSV508 SKF  N212ECM* SKF  NUP203E NSK  22334CAKE4 NTN  HF348 FAG  SNV120-L + 1311-K-TVH-C3 + H311X115 + FSV611X115 BARDEN  7306C FAG  SNV072-L + 2207-K-TVH-C3 + H307X103 + TSV507 KOYO  47T865734 TIMKEN  484/472D NACHI  SN317FC FAG  BND3060-H-C-Y-AL-S INA  KWVE35-B-H IKO  CF20-1BR

版权所有©2009-2015 轴承狗zcgou.com ICP备案:津ICP备14004550号-13