SKFSIJ40ES轴承详细参数

发布时间:2026-05-30
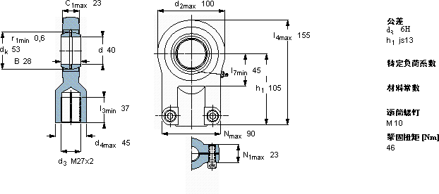
需要维护的杆端, 钢对钢,阴螺纹,用于液压滚筒
主要数据尺寸 角度倾的 基本负荷额定值 质量 型号
动态 静态 杆端带右旋螺纹
d d2 B d3 C1 h1± C C0
6H
mm 度数 kN kg -
4010028M27x22310531001462,30SIJ 40 ES

SKFSIJ40ES需维护的杆端关节轴承供应商

八零动力专业销售SIJ40ES需维护的杆端关节轴承,库存SKFSIJ40ES大量现货,与SKF合作,咨询热线:022-58519723业务咨询
SKFSIJ40ES精密与耐用的完美结合,精准承载精湛的制造工艺赋予了这款轴承卓越的性能和品质 为设备的精确运行提供了保障,该轴承的精度控制精准,为设备的精确运行提供了保障开启顺畅运行新时代,它的尺寸精度,达到了微米级的极致 ,八零动力SKF需维护的杆端关节轴承品种全,价格优,质量有保证!

用户关注最多的SKF轴承型号

SKF71820CD/HCP4A SKFAOH2252G SKFBK2520 SKFC2208KTN9+AH308* SKFC2213KTN9* SKFCR32X52X8HMSA10V SKFGS81248 SKFNJ2232ECMA* SKFNK6/12TN SKFNKIS25 SKFNU2318ECJ* SKFPCM242720M SKFPCZ0808M SKFQJ244 SKFSIR30ES

SIJ40ES需维护的杆端关节轴承近似的SKF轴承型号

SKFSI40ES-2RS SKFSIA40ES-2RS SKFSA40ES-2RS SKFSAA40ES-2RS SKFSC40ES SKFSAL40ES-2RS SKFSIL40ES-2RS SKFSALA40ES-2RS SKFSCF40ES SKFSILA40ES-2RS SKFSIJ30ES SKFSIJ50ES

用户关注最多的轴承狗热门型号

KOYO  F609 TIMKEN  780/774D+X1S-780 KOYO  NNU4924K TIMKEN  74525/74845 NTN  NJ2328 STEYR  1212K+H212 TIMKEN  K14X18X10 LYC  22316 C/W33 BARDEN  71904C/DB SKF  CR1400580 SKF  2307KM+H2307 SKF  CR60X72X8HMSA10RG STEYR  7318B/DF 国产  B7009C KOYO  22315CCK/W33+H2315

版权所有©2009-2015 轴承狗zcgou.com ICP备案:津ICP备14004550号-13