SKFSAL40ES-2RS轴承详细参数

发布时间:2026-05-31
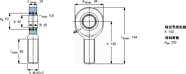
需要维护的杆端, 钢对钢,阳螺纹, 两面密封件
主要数据尺寸 角度倾的 基本负荷额定值 质量 型号
动态 静态 杆端带右或左旋螺纹
d d2 B d3 C1 h ± C C0
6g
mm 度数 kN kg -
409428M 42x32414561001401,90SAL 40 ES-2RS

SKFSAL40ES-2RS需维护的杆端关节轴承供应商

八零动力专业销售SAL40ES-2RS需维护的杆端关节轴承,库存SKFSAL40ES-2RS大量现货,与SKF合作,咨询热线:022-58519723业务咨询
SKFSAL40ES-2RS高精度与高可靠性的完美结合,成就了这款杰出的轴承这轴承的制造工艺精湛,展现出了极高的工业水准每一次旋转,都是品质的见证,为设备的精确运行提供了保障,该轴承的精度控制精准,为设备的精确运行提供了保障这轴承的稳定性极佳,即使在恶劣环境下也能正常工作它的抗氧化性能,延长了它的使用寿命 ,八零动力SKF需维护的杆端关节轴承品种全,价格优,质量有保证!

用户关注最多的SKF轴承型号

SKF22324CCK/W33+H2324 SKF241/670ECA/W33 SKF32314J2/Q SKF6030-RS SKF7000C SKF71907ACE/P4A SKF7306BECBM SKFBT4B331358/HA4 SKFCR1200240 SKFCR35X62X7HMSA10V SKFCR8088 SKFCR99858 SKFN1014KTNHA/HC5SP SKFNCF1872V SKFSAF22509

SAL40ES-2RS需维护的杆端关节轴承近似的SKF轴承型号

SKFSIL40ES-2RS SKFSA40ES-2RS SKFSC40ES SKFSAL40ES-2RS SKFSIQG40ES SKFSILA40ES-2RS SKFSIR40ES SKFSI40ES-2RS SKFSALA40ES-2RS SKFSAA40ES-2RS SKFSAL35TXE-2LS SKFSAL40TXE-2LS

用户关注最多的轴承狗热门型号

SKF  AS6590 TIMKEN  565/562X NTN  UKFLU312+H2312 SKF  FY25TF/VA228 SNR  7207B BARDEN  7213C/DB DKF  7003AC/DF SKF  GEZM408ES-2RS 国产  NA153312 SKF  CR30X44X7HMS5RG FAG  SNV300-L + 22328-E1-K + H2328 + DHV528 GMN  7040C/DT TIMKEN  EE420801/421437 TIMKEN  25SFH44 KOYO  23122CC/W33

版权所有©2009-2015 轴承狗zcgou.com ICP备案:津ICP备14004550号-13