SKFSIL40TXE-2LS轴承详细参数

发布时间:2026-04-22
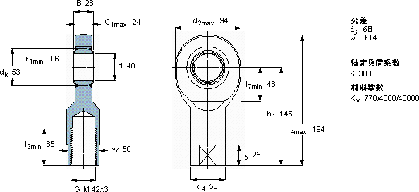
免维护杆端, 阴螺纹, 钢/PTFE织物 , 两面密封件
主要数据尺寸 角度倾的 基本负荷额定值 质量 型号
动态 静态 轴承座完全与密封件
d d2 B d3 C1 h1± C C0
6H
mm 度数 kN kg -
409428M 42x32414562801662,20SIL 40 TXE-2LS

SKFSIL40TXE-2LS免维护的杆端关节轴承供应商

八零动力专业销售SIL40TXE-2LS免维护的杆端关节轴承,库存SKFSIL40TXE-2LS大量现货,与SKF合作,咨询热线:022-58519723业务咨询
SKFSIL40TXE-2LS它的圆度误差几乎可以忽略不计 轴承的耐用性极佳,能够承受高强度的工作负荷它的轴向游隙控制,精准到令人惊叹 它在汽车工业中的应用,让车辆运行更加平稳 它的高效率,减少了能源消耗 品质卓越的它,为机械设备的稳定、高效运行提供了支持,八零动力SKF免维护的杆端关节轴承品种全,价格优,质量有保证!

用户关注最多的SKF轴承型号

SKF24184ECAK30/W33* SKF33108/Q SKFCR1300585 SKFCR22325 SKFCR14116 SKFCR33033 SKFCR47441 SKFCR529379 SKFCR55x75x8CRW1V SKFH2308 SKFIR20x24x16 SKFNNU4972BK/SPW33 SKFNU2064ECMA SKFTVN309A SKFW609-2Z

SIL40TXE-2LS免维护的杆端关节轴承近似的SKF轴承型号

SKFSALA40TXE-2LS SKFSIA40TXE-2LS SKFSAL40TXE-2LS SKFSA40TXE-2LS SKFSI40TXE-2LS SKFSILA40TXE-2LS SKFSAA40TXE-2LS SKFSIL40TXE-2LS SKFSIL40ES-2RS SKFSIL45ES-2RS

用户关注最多的轴承狗热门型号

FAG  B71928-E-2RSD-T-P4S TIMKEN  80TPS136 LYC  7207 CJ RHP  6017N FAG  BND3234-H-W-T-AF-S SKF  618/750MA INA  KSR20-L0-16-10-12-16 SKF  61822-2RS INA  GIR30-UK TIMKEN  HM124646/HM124616XD SNR  7002AC/DT 国产  607-Z TIMKEN  9285/9220 KOYO  NN3018 IKO  CRB9016

版权所有©2009-2015 轴承狗zcgou.com ICP备案:津ICP备14004550号-13