SKFSIL35TXE-2LS轴承详细参数

发布时间:2026-05-30
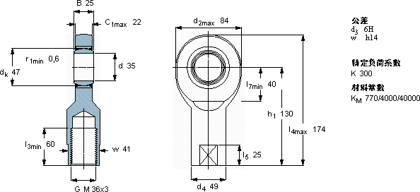
免维护杆端, 阴螺纹, 钢/PTFE织物 , 两面密封件
主要数据尺寸 角度倾的 基本负荷额定值 质量 型号
动态 静态 轴承座完全与密封件
d d2 B d3 C1 h1± C C0
6H
mm 度数 kN kg -
358425M 36x32213062241341,40SIL 35 TXE-2LS

SKFSIL35TXE-2LS免维护的杆端关节轴承供应商

八零动力专业销售SIL35TXE-2LS免维护的杆端关节轴承,库存SKFSIL35TXE-2LS大量现货,与SKF合作,咨询热线:022-58519723业务咨询
SKFSIL35TXE-2LS轴承的耐用性出色,能够长时间保持良好的工作状态这轴承的精度控制令人佩服,为设备的精准运行提供了保障它的润滑技术,减少了摩擦和磨损 这轴承的选材讲究,坚固耐用,寿命远超同类产品它的轻量化设计,减少了材料的使用 它的承载能力,堪称机械界的“大力士” ,八零动力SKF免维护的杆端关节轴承品种全,价格优,质量有保证!

用户关注最多的SKF轴承型号

SKF30236J2 SKF32022T84X/QDBC200 SKF71928C/DF SKF7222BECBM SKFC2320K+AHX2320* SKFCR24931 SKFCR34x56x8CRW1V SKFCR594241 SKFCR90x125x12CRW1V SKFH3140 SKFL432349/310 SKFLR50x55x20.5 SKFNU214ECP* SKFOH3068H SKFSYR2.1/2-3

SIL35TXE-2LS免维护的杆端关节轴承近似的SKF轴承型号

SKFSIL35TXE-2LS SKFSI35TXE-2LS SKFSAL35TXE-2LS SKFSA35TXE-2LS SKFSIL35ES-2RS SKFSIL40ES-2RS

用户关注最多的轴承狗热门型号

SKF  H309 SKF  OKF150 INA  NNTR55X140X70-2ZL LYC  NN 4934 K/P4W33 SKF  33017/Q SKF  23088CAC/W33 国产  29438ME SKF  32218J2/DF SKF  7301BEP LYC  EE 328172DY/EE328269Y TIMKEN  NJ207E.TVP INA  SCE128-PP SYEYR  NU2324E NTN  UKP309+H2309 IKO  RNA49-22U

版权所有©2009-2015 轴承狗zcgou.com ICP备案:津ICP备14004550号-13