SKFSA40ES-2RS轴承详细参数

发布时间:2026-04-14
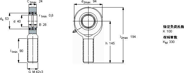
需要维护的杆端, 钢对钢,阳螺纹, 两面密封件
主要数据尺寸 角度倾的 基本负荷额定值 质量 型号
动态 静态 杆端带右或左旋螺纹
d d2 B d3 C1 h ± C C0
6g
mm 度数 kN kg -
409428M 42x32414561001401,90SA 40 ES-2RS

SKFSA40ES-2RS需维护的杆端关节轴承供应商

八零动力专业销售SA40ES-2RS需维护的杆端关节轴承,库存SKFSA40ES-2RS大量现货,与SKF合作,咨询热线:022-58519723业务咨询
SKFSA40ES-2RS高品质的轴承,在各种复杂工况下都能展现出卓越的性能表现成就非凡转动体验让您的设备一顺到底,它的多样化应用,展现了它的无限可能 它的抗氧化性能,延长了它的使用寿命 这轴承的设计简直精妙绝伦,每一处细节都彰显着极致的工艺美学转动不停歇,八零动力SKF需维护的杆端关节轴承品种全,价格优,质量有保证!

用户关注最多的SKF轴承型号

SKF32017 SKF32934 SKF5310E SKFC3130K+AHX3130G* SKFCR135X170X12HMSA10V SKFCR22391 SKFCR250X280X15HMS5RG SKFHMV26E SKFNK100/36 SKFKR40B SKFNCF2913CV SKFNJ2318E+HJ2318E SKFSYR3.-18 SKFTU1.1/4AFM SKFW36

SA40ES-2RS需维护的杆端关节轴承近似的SKF轴承型号

SKFSIQG40ES SKFSAA40ES-2RS SKFSIL40ES-2RS SKFSCF40ES SKFSIJ40ES SKFSA40ES-2RS SKFSI40ES-2RS SKFSALA40ES-2RS SKFSIA40ES-2RS SKFSAL40ES-2RS SKFSA35TXE-2LS SKFSA40TXE-2LS

用户关注最多的轴承狗热门型号

ASK  NJ2316 SKF  CR5523 STEYR  6301-2Z SKF  241/750ECAK30/W33+AOH241/750G NTN  6019-2Z SKF  CR13573 KOYO  6302-2RS KOYO  11162R/300 TIMKEN  28580/28520 TIMKEN  53162/53376D LYC  6201 E-2RS TIMKEN  2585/2520 INA  4140-AW IKO  BAM167 IKO  CF6VB

版权所有©2009-2015 轴承狗zcgou.com ICP备案:津ICP备14004550号-13