SKFSIKAC8M轴承详细参数

发布时间:2026-05-30
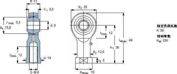
需要维护的杆端, 钢对青铜,阴螺纹
主要数据尺寸 角度倾的 基本负荷额定值 质量 型号
动态 静态 轴承座完全与
d d2 B d3 C1 h1± C C0
6H
mm 度数 kN kg -
82512M 89,536137,29,150,047SIKAC 8 M

SKFSIKAC8M需维护的杆端关节轴承供应商

八零动力专业销售SIKAC8M需维护的杆端关节轴承,库存SKFSIKAC8M大量现货,与SKF合作,咨询热线:022-58519723业务咨询
SKFSIKAC8M高品质的轴承,在各种复杂环境下都能稳定发挥作用该轴承的性能优越,极大地提高了设备的工作效率它的抗冲击性能,让它经得起各种考验 它的高可靠性,减少了设备停机时间 高精度低摩擦这轴承的选材讲究,坚固耐用,寿命远超同类产品,八零动力SKF需维护的杆端关节轴承品种全,价格优,质量有保证!

用户关注最多的SKF轴承型号

SKF331677 SKF609/630MB SKF71813CD/P4A SKF71906C SKF71972ACMB SKF7203C SKFBC2-8005/HB1 SKFCR45X68X7HMS5V SKFCR95047 SKFFYT50TF/VA228 SKFNN3022TN9/SP SKFNNC4836CV SKFNUP215ECJ* SKFPCM202310E SKFSAF22308

SIKAC8M需维护的杆端关节轴承近似的SKF轴承型号

SKFSAL35ES-2RS SKFSIA80ES-2RS SKFSIKAC18M SKFSALKAC20M SKFSAL10E SKFSC30ES SKFSCF70ES SKFSIR70ES SKFSIJ20ES SKFSAL20ES SKFSIKAC6M SKFSIKB10F

用户关注最多的轴承狗热门型号

NTN  16022 FAG  SNV130-L + 21312-E1-K + H312 + DHV612 STEYR  7238B/DF SKF  NU209ECM* FAG  SNV120-L + 20213-K-TVP-C3 + H213X203 + DH513X203 SKF  CR21763 LYC  131.45.2800.11 FAG  KUG23,019 DKF  7240AC/DB SKF  NATV25PPA NSK  N1009RXHTPKR BARDEN  7005C/DF RIV  NU316 MRC  6210-Z SKF  PWM283430

版权所有©2009-2015 轴承狗zcgou.com ICP备案:津ICP备14004550号-13