SKFSILKAC22M轴承详细参数

发布时间:2026-04-14
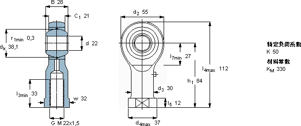
需要维护的杆端, 钢对青铜,阴螺纹
主要数据尺寸 角度倾的 基本负荷额定值 质量 型号
动态 静态 轴承座完全与
d d2 B d3 C1 h1± C C0
6H
mm 度数 kN kg -
225528M 22x1,521841538450,52SILKAC 22 M

SKFSILKAC22M需维护的杆端关节轴承供应商

八零动力专业销售SILKAC22M需维护的杆端关节轴承,库存SKFSILKAC22M大量现货,与SKF合作,咨询热线:022-58519723业务咨询
SKFSILKAC22M它的抗拉强度,让它经得起各种考验 高精度与高可靠性的完美结合,成就了这款杰出的轴承是您机械世界里的不败功臣,成就非凡转动体验让您的设备一顺到底,它的长寿命,减少了资源浪费 它的低噪音设计,减少了对环境的噪音污染 ,八零动力SKF需维护的杆端关节轴承品种全,价格优,质量有保证!

用户关注最多的SKF轴承型号

SKF31312 SKF37425/2/37625/2/Q SKF6005-2RSL* SKF71809CD/HCP4A SKF71920DB/P7 SKFAS1528 SKFBT4B332596/HA4 SKFC2218K* SKFCR17X29X5HMS5V SKFCR35X58X10HMSA10RG SKFCR38X60X10HMS5V SKFCR528270 SKFNU421 SKFPDNB208 SKFSAF22632x5.1/2

SILKAC22M需维护的杆端关节轴承近似的SKF轴承型号

SKFSILKAC22M SKFSALKAC22M SKFSIKAC22M SKFSAKAC22M SKFSILKAC20M SKFSILKAC25M

用户关注最多的轴承狗热门型号

LYC  RD-1637504 AA-13 KOYO  7010AC/DT MRC  7314B KOYO  28584R/21 SKF  7234AC/DB SNR  51101 LYC  569184/P5 SKF  7209AC/DF STEYR  52309 SKF  HK2524.2RS TIMKEN  SMN307KS SKF  EE285160/285226 NTN  3309 SKF  PCM455020E IKO  CFE30-1V

版权所有©2009-2015 轴承狗zcgou.com ICP备案:津ICP备14004550号-13