SKFSIKAC6M轴承详细参数

发布时间:2026-05-30
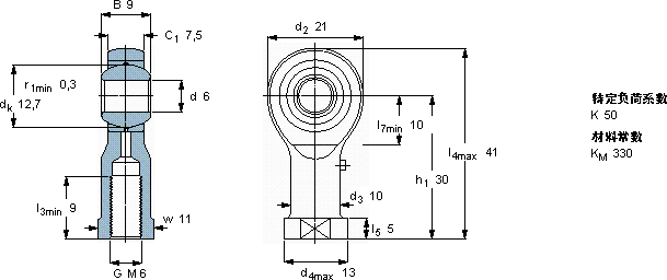
需要维护的杆端, 钢对青铜,阴螺纹
主要数据尺寸 角度倾的 基本负荷额定值 质量 型号
动态 静态 轴承座完全与
d d2 B d3 C1 h1± C C0
6H
mm 度数 kN kg -
6219M 67,530134,35,40,028SIKAC 6 M

SKFSIKAC6M需维护的杆端关节轴承供应商

八零动力专业销售SIKAC6M需维护的杆端关节轴承,库存SKFSIKAC6M大量现货,与SKF合作,咨询热线:022-58519723业务咨询
SKFSIKAC6M卓越的性能表现,使这款轴承在市场上拥有良好的口碑这轴承的设计简直精妙绝伦,每一处细节都彰显着极致的工艺美学是您成功路上的得力助手,设计合理、性能优良的它,是机械设备实现高效运行的重要保障设计独特的轴承,不仅性能优越,还具有很高的性价比它的长寿命,减少了更换频率 ,八零动力SKF需维护的杆端关节轴承品种全,价格优,质量有保证!

用户关注最多的SKF轴承型号

SKF1313EKTN9 SKF2x7320BECBM* SKF331905 SKF61908-2RZ SKF6205-RZ SKFAOH240/560G SKFC3120V* SKFCR190X225X15HMSA10V SKFFYM3.TF/AH SKFHE305 SKFNU2310E SKFPCM11011560B SKFSAF22308 SKFSDAF22536x6.5/16 SKFW639/2-2Z

SIKAC6M需维护的杆端关节轴承近似的SKF轴承型号

SKFSIA50ES-2RS SKFSI20ES SKFSAL30ES SKFSI80ES-2RS SKFSIL17ES SKFSAA45ES-2RS SKFSI35ES-2RS SKFSALKAC22M SKFSIQG25ES SKFSIKAC8M SKFSIKAC5M/VZ019 SKFSIKAC8M

用户关注最多的轴承狗热门型号

TIMKEN  2776/2720 KOYO  NU3234 国产  K14*19*11.8YA NTN  AS4060 FAG  SD3160-H-TS-BL-L + 23160-B-K-MB LYC  BT2B328410CA/HA1 INA  RWS1808-350/x350/x332 NTN  4T-T7FC060 INA  WZ3 LYC  N 309/Z1 SKF  7313BECBM GMN  7319AC/DB FAG  3004-B-2RSR-TVH IKO  BA85Z IKO  BAM2416

版权所有©2009-2015 轴承狗zcgou.com ICP备案:津ICP备14004550号-13