SKFSILKAC30M轴承详细参数

发布时间:2026-04-15
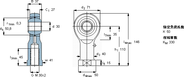
需要维护的杆端, 钢对青铜,阴螺纹
主要数据尺寸 角度倾的 基本负荷额定值 质量 型号
动态 静态 轴承座完全与
d d2 B d3 C1 h1± C C0
6H
mm 度数 kN kg -
307137M 30x227110156469,51,10SILKAC 30 M

SKFSILKAC30M需维护的杆端关节轴承供应商

八零动力专业销售SILKAC30M需维护的杆端关节轴承,库存SKFSILKAC30M大量现货,与SKF合作,咨询热线:022-58519723业务咨询
SKFSILKAC30M它的每一次转动,都是对效率的极致追求 出色的性能表现,让这款轴承成为行业内的明星产品,旋转不息它的耐用性,赢得了无数用户的信赖 它的高效率,让机械运转更加节能 它在风力发电中的应用,为清洁能源贡献力量 ,八零动力SKF需维护的杆端关节轴承品种全,价格优,质量有保证!

用户关注最多的SKF轴承型号

SKF22328CCK/W33* SKF230/560CAK/W33* SKF231/560CAK/W33* SKF293/500 SKF71917ACD/P4A SKF71918ACE/P4A SKF7217CD/P4A SKFCR63X90X10HMSA10V SKFCR65X88X12HMS5RG SKFFY1.3/16RM SKFIR35x42x36 SKFP47R-17RM SKFRNA4901RS SKFSDAF23072KAx13.7/16 SKFW6007-2RS1

SILKAC30M需维护的杆端关节轴承近似的SKF轴承型号

SKFSIR30ES SKFSIKAC30M SKFSAL30ES SKFSIL30ES SKFSIJ30ES SKFSC30ES SKFSIKAC30M/VZ019 SKFSILKAC30M SKFSALKAC30M SKFSA30ES SKFSILKAC25M SKFSILKAC5M

用户关注最多的轴承狗热门型号

FAG  N1932-K-M1-SP 国产  NNF618-11SV/YA1 国产  6212 STEYR  NUP2206E BARDEN  7032C/DB FAG  NU2306-E-TVP2 RIV  NF310 国产  2313 DKF  7013AC/DB RHP  6306-2RS NSK  6000DDU ASAHI  UC305 NSK  NU210ET NSK  53202U SKF  NUP211ECP

版权所有©2009-2015 轴承狗zcgou.com ICP备案:津ICP备14004550号-13