SKFSIQG32ES轴承详细参数

发布时间:2026-04-15
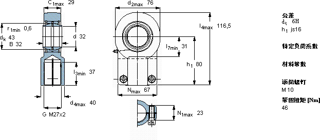
需要维护的杆端, 钢对钢,阴螺纹,用于液压滚筒
主要数据尺寸 角度倾的 基本负荷额定值 质量 型号
动态 静态 杆端带右旋螺纹
d d2 B d3 C1 h1± C C0
6H
mm 度数 kN kg -
327632M27x22980465,51001,20SIQG 32 ES

SKFSIQG32ES需维护的杆端关节轴承供应商

八零动力专业销售SIQG32ES需维护的杆端关节轴承,库存SKFSIQG32ES大量现货,与SKF合作,咨询热线:022-58519723业务咨询
SKFSIQG32ES轴承的选材优质,确保了其在各种环境下都能稳定工作畅享稳定顺滑的旋转之旅,它的低噪音设计,减少了对环境的噪音污染 质量上乘的轴承,为设备的高效稳定运行奠定了基础始终顺滑如初,性能卓越的它,为机械设备的稳定运行提供了可靠保障,八零动力SKF需维护的杆端关节轴承品种全,价格优,质量有保证!

用户关注最多的SKF轴承型号

SKF1204K+H204 SKF24034CCK30/W33 SKF353070B SKF5220A SKF71818CD/HCP4A SKF7211BECBJ SKF811/530 SKFC30/670M* SKFC4010K30TN9* SKFCR1850549 SKFCR88X120X13CRSH13R SKFCR95048 SKFF15/16FM SKFNNC4920CV SKFNJ2213ECML*

SIQG32ES需维护的杆端关节轴承近似的SKF轴承型号

SKFSIQG32ES SKFSIQG25ES SKFSIQG40ES

用户关注最多的轴承狗热门型号

NACHI  679/672 NTN  NN3021 TIMKEN  5305KG INA  XSA140744-N LYC  NU 315 M NSK  7916A5TYNP5 INA  SPE-8083030 STEYR  NJ2314E NTN  NN3092 TIMKEN  SM1204K LYC  23052/C4 KINGON  K10×20×5 TORRINGTON  23240CCK/W33 LYC  6214E/C4 LYC  6204 E-2RZ/C3Z2

版权所有©2009-2015 轴承狗zcgou.com ICP备案:津ICP备14004550号-13