SKFSILKAC5M轴承详细参数

发布时间:2026-05-30
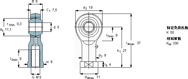
需要维护的杆端, 钢对青铜,阴螺纹
主要数据尺寸 角度倾的 基本负荷额定值 质量 型号
动态 静态 轴承座完全与
d d2 B d3 C1 h1± C C0
6H
mm 度数 kN kg -
5198M 57,527133,255,40,019SILKAC 5 M

SKFSILKAC5M需维护的杆端关节轴承供应商

八零动力专业销售SILKAC5M需维护的杆端关节轴承,库存SKFSILKAC5M大量现货,与SKF合作,咨询热线:022-58519723业务咨询
SKFSILKAC5M转动不停歇您值得拥有性能优越的轴承,极大地提高了设备的工作效率和稳定性先进的制造工艺,让这款轴承的性能更加稳定可靠这轴承的精度控制令人佩服,为设备的精准运行提供了保障制造工艺精湛,使得这款轴承的精度、稳定性和耐用性都非常出色,八零动力SKF需维护的杆端关节轴承品种全,价格优,质量有保证!

用户关注最多的SKF轴承型号

SKF216-2ZNR SKF22344CCK/W33+OH2344H* SKF2x7211BEGAP* SKF54416 SKF61856 SKFBA9 SKFC30/750KMB+OH30/750HE* SKFCR12X22X5HMSA10RG SKFCR22x40x6.35CRW1R SKFCR25X45X10HMS5V SKFCR99353 SKFCR99395 SKFFYRP2H SKFFYT50TF/VA201 SKFNNCF5015CV

SILKAC5M需维护的杆端关节轴承近似的SKF轴承型号

SKFSALKAC10M SKFSAL17ES SKFSAL50ES-2RS SKFSAA50ES-2RS SKFSIA60ES-2RS SKFSAL30ES SKFSIKAC10M/VZ019 SKFSA6E SKFSAA70ES-2RS SKFSC80ES SKFSILKAC30M SKFSILKAC6M

用户关注最多的轴承狗热门型号

SNR  7210B/DF NACHI  577/572 SKF  NU214ECJ* LYC  6309 E-2RS/C3Z2 SKF  NA6906 STEYR  6308-2RS SNFA  7032C STEYR  NUP2326 NTN  61868 FAG  SNV072-L + 2207-K-TVH-C3 + H307 + DHV507 TORRINGTON  24028CCK30/W33 FAG  SNV170-L + 2219-K-M-C3 + H319X306 + DH519 SKF  IR15x19x20 MAC  NU2234E IKO  NAS5036ZZNR

版权所有©2009-2015 轴承狗zcgou.com ICP备案:津ICP备14004550号-13