SKFSCF110ES轴承详细参数

发布时间:2026-04-15
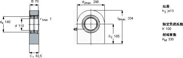
需要维护的杆端, 钢对钢,焊接柄
主要数据尺寸 角度倾的 基本负荷额定值 质量 型号
动态 静态
d d2 B C1 h2± C C0
最大
mm 度数 kN kg -
1102987082,51856655220048,0SCF 110 ES

SKFSCF110ES需维护的杆端关节轴承供应商

八零动力专业销售SCF110ES需维护的杆端关节轴承,库存SKFSCF110ES大量现货,与SKF合作,咨询热线:022-58519723业务咨询
SKFSCF110ES每一次旋转,都是品质的见证,它的可靠性,赢得了无数工程师的信任 就是选择高效与可靠先进的制造工艺,让这款轴承的性能更加稳定可靠旋转无忧轴承的耐用性强,减少了设备的停机维护时间,八零动力SKF需维护的杆端关节轴承品种全,价格优,质量有保证!

用户关注最多的SKF轴承型号

SKF1207EKTN9 SKF23068CC/W33* SKF23226CCK/W33+H2326 SKF60880MA SKF61806-RZ SKFC3040K* SKFC4188MB* SKFCR8648 SKFCR99814 SKFHM218248/W/2A/210/2A/Q SKFNCF3084CV SKFP80R-1.1/4TF SKFSDAF22617x3 SKFSNL3044TURT SKFSNL3064

SCF110ES需维护的杆端关节轴承近似的SKF轴承型号

SKFSCF110ES SKFSCF100ES SKFSCF120ES

用户关注最多的轴承狗热门型号

FAG  SNV120-L + 2213-K-TVH-C3 + H313X203 + TSV513X203 NSK  23056CAME4 SKF  6321 LYC  NU 1026 Q1/P5S0 NTN  7018AC/DF NSK  53264XU STEYR  6213 SKF  CR19754 SKF  6010/HR11QN SKF  CR21336 INA  PBY30 FAG  H30/900-HG INA  HK3012 NSK  HR32906J IKO  TA1225Z

版权所有©2009-2015 轴承狗zcgou.com ICP备案:津ICP备14004550号-13