SKFSAL17ES轴承详细参数

发布时间:2026-04-14
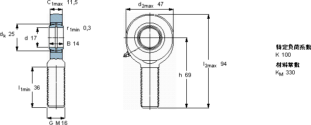
需要维护的杆端, 钢对钢,阳螺纹
主要数据尺寸 角度倾的 基本负荷额定值 质量 型号
动态 静态 杆端带右或左旋螺纹
d d2 B d3 C1 h ± C C0
6g
mm 度数 kN kg -
174714M 1611,5691021,2310,19SAL 17 ES

SKFSAL17ES需维护的杆端关节轴承供应商

八零动力专业销售SAL17ES需维护的杆端关节轴承,库存SKFSAL17ES大量现货,与SKF合作,咨询热线:022-58519723业务咨询
SKFSAL17ES它的精准度,让机械运转分毫不差 轴承的精度极高,使得设备的运行误差被控制在极小范围内其设计和制造都达到了极高的水准,是一款不可多得的轴承它的精密性,让它在高精度设备中无可替代 这轴承的稳定性极佳,即使在恶劣环境下也能正常工作它的品质卓越,为机械设备的高效、稳定运行保驾护航,八零动力SKF需维护的杆端关节轴承品种全,价格优,质量有保证!

用户关注最多的SKF轴承型号

SKF2x7320BEGBY SKF331092A SKF5205E SKF627-2Z* SKF7026CD/P4A SKF71913ACE/HCP4A SKF7206BECBP* SKFCR20520 SKFCR33X45X7HMS5RG SKFCR38X55X8HMS5RG SKFCR99175 SKFRLS8 SKFRNU204ECP SKFT7FC060/QCL7C SKFZW40x47

SAL17ES需维护的杆端关节轴承近似的SKF轴承型号

SKFSA17ES SKFSIL17ES SKFSI17ES SKFSAL17ES SKFSAL17C SKFSAL20C

用户关注最多的轴承狗热门型号

MRC  NF205 SKF  GS81148 ZKL  NJ260 TIMKEN  33880/33821D+X1S-33880 SKF  SNL3164 LYC  NJ 244 FAG  SNV130-L + 1215-K-TVH-C3 + H215X208 + TCV515X208 INA  G1215-KRR-B-AS2/V FLT  NJ428 TIMKEN  13685/13621D/X2S-13687 INA  RWS1808-175/x175/x24 TIMKEN  220RIT744 国产  QJ322Q SNR  2204 IKO  KT586320

版权所有©2009-2015 轴承狗zcgou.com ICP备案:津ICP备14004550号-13