SKFSILKAC18M轴承详细参数

发布时间:2026-04-15
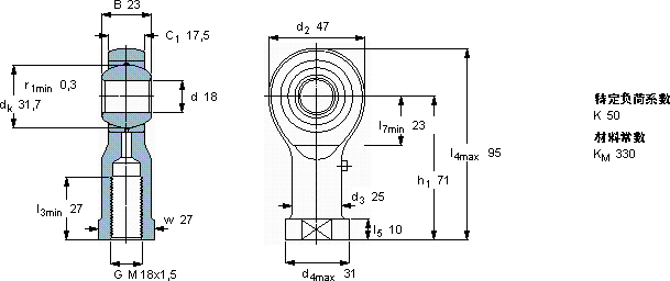
需要维护的杆端, 钢对青铜,阴螺纹
主要数据尺寸 角度倾的 基本负荷额定值 质量 型号
动态 静态 轴承座完全与
d d2 B d3 C1 h1± C C0
6H
mm 度数 kN kg -
184723M 18x1,517,571152635,50,33SILKAC 18 M

SKFSILKAC18M需维护的杆端关节轴承供应商

八零动力专业销售SILKAC18M需维护的杆端关节轴承,库存SKFSILKAC18M大量现货,与SKF合作,咨询热线:022-58519723业务咨询
SKFSILKAC18M它的每一次转动,都是对效率的极致追求 它的抗震性能,确保了它在振动环境下的可靠性 它在机器人领域的应用,展现了它的高精密性 先进的制造技术和严格的质量检测,造就了这款优质轴承让您的设备高效运行,它的材质选择,体现了对品质的极致追求 ,八零动力SKF需维护的杆端关节轴承品种全,价格优,质量有保证!

用户关注最多的SKF轴承型号

SKF23944CCK/W33 SKF61900-2RZ SKF6344 SKFCR11736 SKFCR35X62X8HMSA10V SKFCR87166 SKFHE220 SKFNNC4922CV SKFIR20x25x20.5 SKFN217ECP SKFNCF3032CV SKFNK42/30 SKFNK5/10 SKFNUP2314ECML* SKFTU1.11/16WF

SILKAC18M需维护的杆端关节轴承近似的SKF轴承型号

SKFSILKAC18M SKFSAKAC18M SKFSALKAC18M SKFSIKAC18M SKFSILKAC16M SKFSILKAC20M

用户关注最多的轴承狗热门型号

SKF  NJ319ECJ* SKF  33010/Q FLT  NUP2220 FAG  11210-TVH SKF  C3092KM* SKF  FYT1.3/16TF/VA228 SKF  23980CCK/W33+OH3980H* NACHI  21309EK FAG  BND3236-H-W-T-BF-S SKF  GEZM208ES-2RS 国产  22230 SKF  NJ2224ECM* SKF  6056M SKF  CR400405 IKO  MXS55

版权所有©2009-2015 轴承狗zcgou.com ICP备案:津ICP备14004550号-13