SKFSIKAC5M/VZ019轴承详细参数

发布时间:2026-04-14
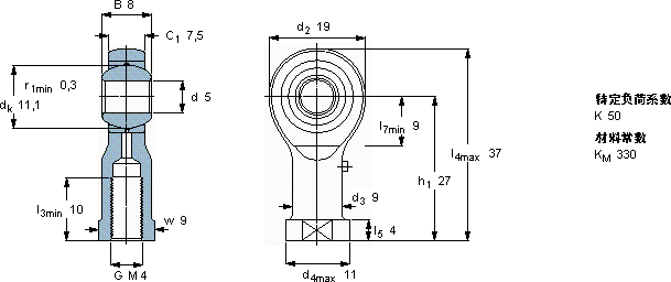
需要维护的杆端, 钢对青铜,阴螺纹
主要数据尺寸 角度倾的 基本负荷额定值 质量 型号
动态 静态 轴承座完全与
d d2 B d3 C1 h1± C C0
6H
mm 度数 kN kg -
5198M 47,527133,255,40,019SIKAC 5 M/VZ019

SKFSIKAC5M/VZ019需维护的杆端关节轴承供应商

八零动力专业销售SIKAC5M/VZ019需维护的杆端关节轴承,库存SKFSIKAC5M/VZ019大量现货,与SKF合作,咨询热线:022-58519723业务咨询
SKFSIKAC5M/VZ019轴承的精度极高,使得设备的运行误差被控制在极小范围内它的使用寿命,远超同类产品 它的抗冲击能力,让它经久不衰 它的耐高温性能,减少了冷却系统的能耗 轴承的稳定性和可靠性表现出色,赢得了用户的高度认可它在化工设备中的应用,展现了它的耐腐蚀性 ,八零动力SKF需维护的杆端关节轴承品种全,价格优,质量有保证!

用户关注最多的SKF轴承型号

SKF5310A-2Z* SKF6206ETN9 SKF62212-2RS1 SKF6304ETN9 SKF71904ACD/P4A SKF71911CE/P4A SKFCR16999 SKFCR43X62X8HMSA10RG SKFCR64X80X8HMSA10V SKFNJ326E+HJ326E SKFNKIS45 SKFPCZ025025B SKFSALKAC6M SKFW6210-2Z SKFYAR209-112-2RF

SIKAC5M/VZ019需维护的杆端关节轴承近似的SKF轴承型号

SKFSIKAC16M/VZ019 SKFSIKAC5M/VZ019 SKFSIKAC30M/VZ019 SKFSIKAC10M/VZ019 SKFSIKAC12M/VZ019 SKFSIKAC5M SKFSIKAC6M

用户关注最多的轴承狗热门型号

SKF  N316ECM* SKF  24056CCK30/W33+AOH24056G* NSK  F686AZZ SKF  CR26X38X7HMSA10RG 国产  510/670 NSK  240/530CAE4 KOYO  24056RHA NSK  NJ2220ET TIMKEN  3578A/3525 SKF  CR42X62X10HMS5V KOYO  313823 BARDEN  71944C/DT NSK  NJ2304ET LYC  51109 M/P4 国产  6305-Z

版权所有©2009-2015 轴承狗zcgou.com ICP备案:津ICP备14004550号-13