SKFSC80ES轴承详细参数

发布时间:2026-04-14
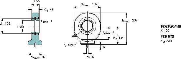
需要维护的杆端, 钢对钢,焊接柄
主要数据尺寸 角度倾的 基本负荷额定值 质量 型号
动态 静态
d d2 B C1 h2± C C0
最大
mm 度数 kN kg -
80182554814164005509,70SC 80 ES

SKFSC80ES需维护的杆端关节轴承供应商

八零动力专业销售SC80ES需维护的杆端关节轴承,库存SKFSC80ES大量现货,与SKF合作,咨询热线:022-58519723业务咨询
SKFSC80ES卓越的性能表现,让这款轴承在市场上脱颖而出其质量上乘,是众多机械设备不可或缺的优质配件这轴承的设计精妙,充分考虑了各种实际应用需求它在食品机械中的应用,展现了它的卫生性能 让您的设备高效运行,它的高效率,让机械运转更加节能 ,八零动力SKF需维护的杆端关节轴承品种全,价格优,质量有保证!

用户关注最多的SKF轴承型号

SKF23244CC/W33* SKF7236B SKFBSD45100CG SKFC3148* SKFCR11372 SKFCR16092 SKFCR50x80x8CRW1R SKFCR38X58X8HMS5V SKFFSYE3.H-18 SKFFY1.11/16TF/AH SKFGE280CS-2Z SKFNN3024TN9/SP SKFNU422M SKFP62R-25TR SKFS7019CD/P4A

SC80ES需维护的杆端关节轴承近似的SKF轴承型号

SKFSIQG80ES SKFSALA80ES-2RS SKFSILA80ES-2RS SKFSIJ80ES SKFSI80ES-2RS SKFSA80ES-2RS SKFSIR80ES SKFSC80ES SKFSIL80ES-2RS SKFSAL80ES-2RS SKFSC71924FB/P7 SKFSCF100ES

用户关注最多的轴承狗热门型号

NTN  NJ411+HJ411 NSK  LM2215 NACHI  22309EX LYC  012.30.500.03K SKF  718/530AC/DBVQ074 MRC  6015-RS FAG  BND3080-Z-Y-AF-S FAG  SNV150-L + 20217-K-MB-C3 + H217X215 + DHV517 FAG  SNV170-L + 20316-MB + DH316 LYC  132.50.3150.03K2 NTN  32968 SKF  CR60x85x8CRW1R KOYO  7202C/DF LYC  NJ 217/P5 INA  PAPZ0303-P10

版权所有©2009-2015 轴承狗zcgou.com ICP备案:津ICP备14004550号-13