SKFSI20C轴承详细参数

发布时间:2026-05-29
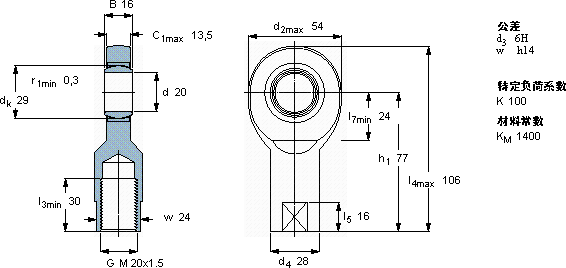
免维护杆端, 阴螺纹, 钢/烧结铜复合材料
主要数据尺寸 角度倾的 基本负荷额定值 质量 型号
动态 静态 轴承座完全与密封件
d d2 B d3 C1 h1± C C0
6H
mm 度数 kN kg -
205416M 20x1.513,577931,5570,34SI 20 C

SKFSI20C免维护的杆端关节轴承供应商

八零动力专业销售SI20C免维护的杆端关节轴承,库存SKFSI20C大量现货,与SKF合作,咨询热线:022-58519723业务咨询
SKFSI20C它的润滑技术,减少了润滑剂的使用 卓越的设计和可靠的性能,是这款轴承的两大亮点它的耐高温性能,减少了冷却系统的能耗 让您的机械如虎添翼,它的可靠性,赢得了无数用户的信赖 它的制造工艺,堪称工业艺术的典范 ,八零动力SKF免维护的杆端关节轴承品种全,价格优,质量有保证!

用户关注最多的SKF轴承型号

SKF16020* SKF22328CCK/W33+AHX2328G* SKF305702C-2Z SKF6303-2ZN SKF7236B/DT SKFCR1325239 SKFCR19301 SKFFYR3.7/16H-18 SKFN206ECM* SKFNK38/30 SKFNU2092ECMA SKFPF50FM SKFRNA4838 SKFS7019CD/P4A SKFSY1.3/8PF/AH

SI20C免维护的杆端关节轴承近似的SKF轴承型号

SKFSILKB20F SKFSALKB20F SKFSI20C SKFSAKB20F SKFSA20C SKFSIL20C SKFSIKB20F SKFSAL20C SKFSI17ES SKFSI20ES

用户关注最多的轴承狗热门型号

国产  71922CTA NSK  24122CK30E4 SKF  294/560 国产  NK42/20 国产  351080 国产  K18*26*14 MRC  7309AC/DF NTN  NJ2322E+HJ2322E NTN  61906-2RS LYC  15123/15245 SKF  24128CC/W33 DKF  7224AC FAG  HS71913-C-T-P4S SKF  K125x133x35 IKO  IRB108

版权所有©2009-2015 轴承狗zcgou.com ICP备案:津ICP备14004550号-13