SKF71968ACMB轴承详细参数

发布时间:2026-05-30
角接触球轴承, 单列
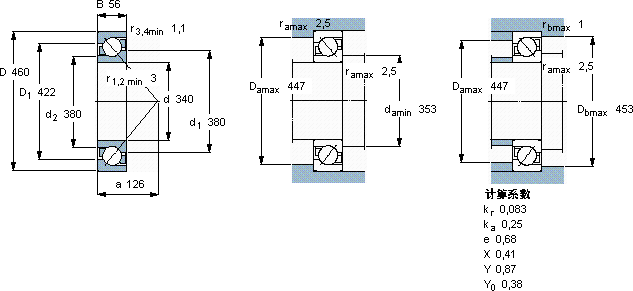
主要数据尺寸 尺寸 [英寸] 疲劳负荷限值 额定速度 体积 型号
动态 静态 参照速度 限制速度
d D B C C0 Pu
mm kN kN r/min kg -
3404605633858512,51500150024,071968 ACMB

SKF71968ACMB角接触球轴承供应商

八零动力专业销售71968ACMB角接触球轴承,库存SKF71968ACMB大量现货,与SKF合作,咨询热线:022-58519723业务咨询
SKF71968ACMB它的材质选择,体现了对耐用性的极致追求 它的抗变形能力,让它在高负载下依然保持形状 性能优越的轴承,极大地提高了设备的工作效率和稳定性设计合理、性能优良的它,是机械设备稳定运行的重要保障高品质的轴承,在各种复杂环境下都能稳定发挥作用承载未来,八零动力SKF角接触球轴承品种全,价格优,质量有保证!

用户关注最多的SKF轴承型号

SKF22332CCK/W33 SKF23268CAK/W33* SKF544091/2B/544118A/2B SKF619/5-2Z SKF7011AC SKF71811ACD/P4 SKF7232C SKFAHX2314/60G SKFCR30X62X10HMSA10RG SKFCR520x560x20HDS1R SKFFYTB35TR SKFNU2264ECMA SKFOKCX540 SKFPWM455330 SKFS1.FM

71968ACMB角接触球轴承近似的SKF轴承型号

SKF71968ACMB SKF71964CD/P4A SKF71972ACMB

用户关注最多的轴承狗热门型号

TIMKEN  96851D/96140+Y4S-96140 LYC  6318 E/P53 SKF  Z212 NSK  6819VV NSK  51117 NTN  NJ303+HJ303 TIMKEN  100RN02 TIMKEN  HML86 NSK  NUP334M NACHI  7210BDF INA  KUVE20-B-SNL LYC  6217 E/C3 NTN  29484 NSK  52417X IKO  TAFI9012026

版权所有©2009-2015 轴承狗zcgou.com ICP备案:津ICP备14004550号-13