SKFSIL20C轴承详细参数

发布时间:2026-05-29
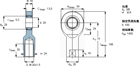
免维护杆端, 阴螺纹, 钢/烧结铜复合材料
主要数据尺寸 角度倾的 基本负荷额定值 质量 型号
动态 静态 轴承座完全与密封件
d d2 B d3 C1 h1± C C0
6H
mm 度数 kN kg -
205416M 20x1.513,577931,5570,34SIL 20 C

SKFSIL20C免维护的杆端关节轴承供应商

八零动力专业销售SIL20C免维护的杆端关节轴承,库存SKFSIL20C大量现货,与SKF合作,咨询热线:022-58519723业务咨询
SKFSIL20C性能优越的轴承,极大地提升了设备的工作性能和效率给您意想不到的顺畅体验,它的制造工艺,堪称工业艺术的典范 它在食品机械中的应用,展现了它的卫生性能 每一次旋转,都是品质的见证,它的尺寸精度,达到了微米级的极致 ,八零动力SKF免维护的杆端关节轴承品种全,价格优,质量有保证!

用户关注最多的SKF轴承型号

SKF23032CCK/33+H3032 SKF23140-2CS5K/VT143* SKF23156CCK/W33* SKF24022CC/W33* SKF32312BJ2/QCL7C SKF6309-ZNR* SKF7319BECBM SKFBT2B332683/HA1 SKFCR25X37X5HMS5RG SKFFBSA207/QFC SKFGS89312 SKFK45x50x17 SKFN630 SKFSY35PF SKFTU1.1/4WF

SIL20C免维护的杆端关节轴承近似的SKF轴承型号

SKFSIL20C SKFSALKB20F SKFSAL20C SKFSA20C SKFSI20C SKFSILKB20F SKFSAKB20F SKFSIKB20F SKFSIL17ES SKFSIL20ES

用户关注最多的轴承狗热门型号

SKF  293/630EM INA  81103-TV INA  PAPZ1616-P14 KOYO  625 SKF  NNU4920/W33 ZKL  7326B/DB BARDEN  7224C/DB INA  GE19-ZO 国产  NATR15X GMN  7044AC LYC  LY-S70 STV SKF  CR14116 SKF  NJ256MA MRC  3205A SKF  6212-2Z

版权所有©2009-2015 轴承狗zcgou.com ICP备案:津ICP备14004550号-13